GM Service Manual Online
For 1990-2009 cars only

Refer to

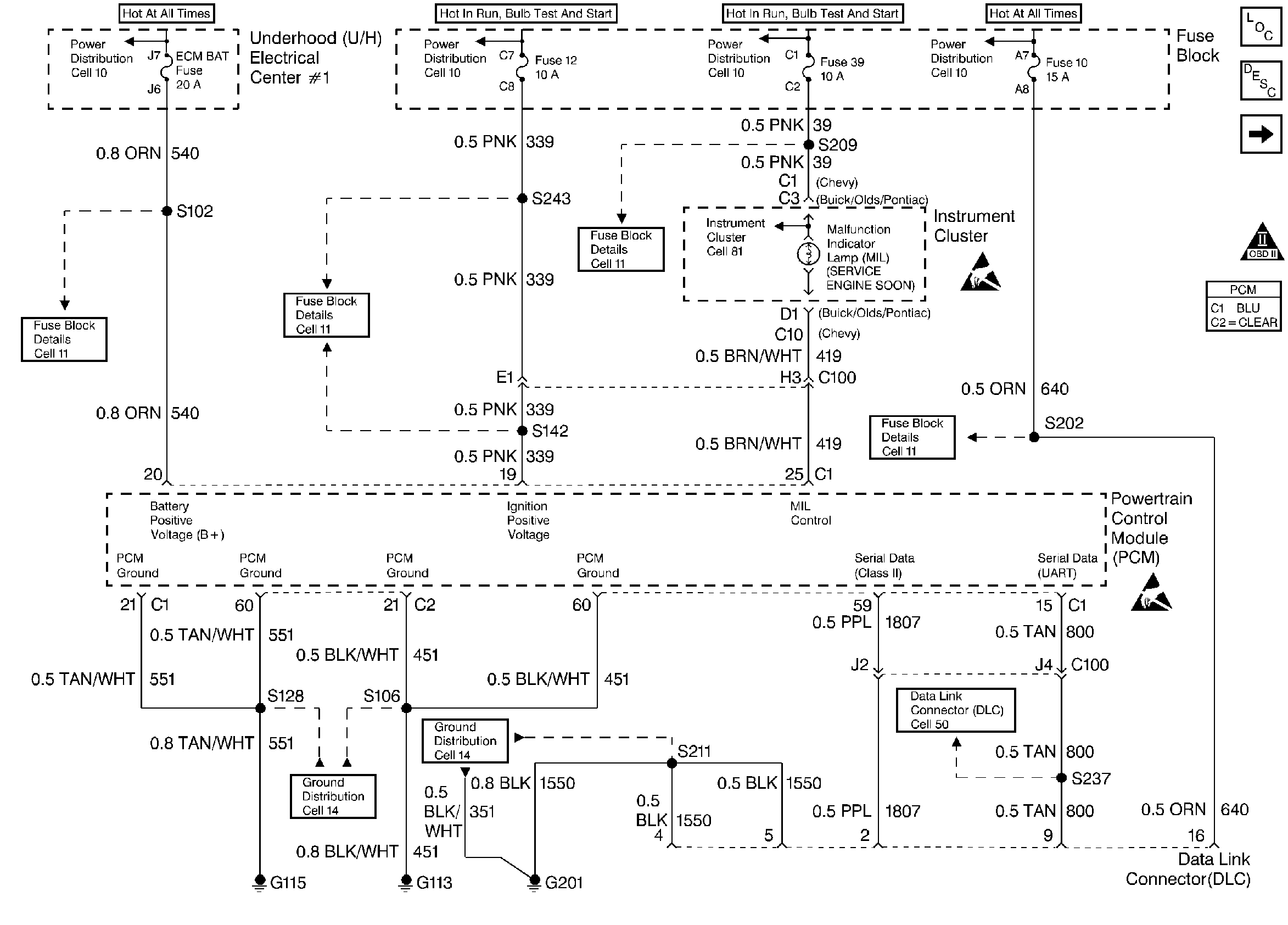
PCM Power, Grounds, MIL Control, Serial Data


Object Number: 23095  Size: FS
Engine Controls Components
Data Link Connector Diagnosis
Ignition Control
OBD II Symbol Description Notice
Handling ESD Sensitive Parts Notice
Handling ESD Sensitive Parts Notice
.

Circuit Description

The PCM monitors system voltage on the PCM ignition feed circuit. If the system voltage is out of tolerance, DTC P0560 will be set. When the conditions that set DTC P0560 are present, operation of some vehicle systems and components may be affected.

Conditions for Setting the DTC

    • The engine is running.
    • System voltage monitored at the PCM ignition feed circuit is less than 9 volts or greater than 16 volts.
    • Above conditions for longer than 25 seconds.

Action Taken When the DTC Sets

    • The PCM will not illuminate the malfunction indicator lamp (MIL).
    • The PCM will store conditions which were present when the DTC set as Failure Records data only. This information will not be stored as Freeze Frame data.

Conditions for Clearing the MIL/DTC

    • A History DTC will clear after 40 consecutive warm-up cycles have occurred without a malfunction.
    • The DTC can be cleared by using the scan tool Clear Info function.

Diagnostic Aids

Check for the following conditions:

    • Poor connection or damaged harness. Inspect the wiring harness for damage. If the harness appears to be OK, observe the Ignition 1 voltage display on the scan tool while moving connectors and wiring related to the PCM, dash harness, and engine harness. A change in the display will indicate the location of the fault.

If DTC P0506 cannot be duplicated, reviewing the Fail Records vehicle mileage since the diagnostic test last failed may help determine how often the condition that caused the DTC to be set occurs. This may assist in diagnosing the condition.

For complete information and additional diagnostics for the vehicle charging system, refer to Charging System.

Important: Charging with a battery charger while starting the engine can cause DTC P0560 to be set.

  1. This vehicle is equipped with a PCM which utilizes an Electrically Erasable Programmable Read Only Memory (EEPROM). When the PCM is being replaced, the new PCM must be programmed. Refer to Powertrain Control Module Replacement/Programming .

DTC P0560 - System Voltage

Step

Action

Value(s)

Yes

No

1

Was the Powertrain On-Board Diagnostic System Check performed?

--

Go to Step 2

Go to the Powertrain On Board Diagnostic (OBD) System Check

2

Is DTC P1635 also set?

--

Go to DTC P1635

Go to Step 3

3

  1. Start and run engine above 1000 rpm.
  2. Observe Ignition 1 on the scan tool engine data list.

Is Ignition 1 voltage between the specified values?

9V-16V

Go to Step 5

Go to Step 4

4

  1. Review and record the scan tool Fail Records data.
  2. Clear the DTC P0560 and operate the vehicle to duplicate the Fail Records conditions.
  3. Using a scan tool, monitor Specific DTC info for DTC P0560 until the DTC P0560 test runs.

Note test result; does scan tool indicate DTC failed this ign?

--

Go to Step 5

Refer to Diagnostic Aids

5

  1. Install a J 39200 digital voltmeter (DVM) between the battery terminals.
  2. Monitor the DVM while running the engine above 1000 rpm.

Does DVM show battery voltage between the specified values?

9V-16V

Go to Step 6

Go to Step 7

6

  1. Load electrical system by turning ON the headlamps and the HVAC high blower.
  2. Monitor the DVM while running the engine above 2000 rpm.

Does DVM show battery voltage between the specified values?

9V-16V

Go to Step 8

Go to Step 7

7

  1. Turn OFF the ignition switch and disconnect the generator electrical connector.
  2. Turn ON the ignition switch.
  3. Connect a DVM to measure voltage between the Generator Control circuit at the generator harness connector and ground.
  4. Command the GEN L Term ON using the scan tool.

Does the DVM display voltage near the specified value with the GEN L Term. commanded ON?

B+

Go to Step 12

Go to Step 10

8

Compare the Ignition 1 voltage displayed on the scan tool with the actual battery voltage read with the DVM.

Does the scan tool Ignition 1 value closely match the actual value read with the DVM?

--

Refer to Diagnostic Aids

Go to Step 9

9

  1. Check the PCM ignition feed circuit for a poor connection between the ignition switch and the PCM. Refer to Fuse Block Details in Electrical Diagnosis.
  2. If a problem is found, replace faulty terminal(s).

Was a problem found?

--

Go to Step 14

Go to Step 13

10

Check the Generator Control circuit for an open or a short to ground between the PCM and the generator.

If a problem is found, repair as necessary. Refer to Repair Procedures in Electrical Diagnosis.

Was a problem found?

--

Go to Step 14

Go to Step 11

11

Check the Generator Control circuit for a poor terminal connection at the PCM.

If a problem is found, repair as necessary. Refer to Repair Procedures in Electrical Diagnosis.

Was a problem found?

--

Go to Step 14

Go to Step 13

12

  1. Check the Generator Control circuit for a poor terminal connection at the generator.
  2. If a problem is found, repair as necessary. Refer to Repair Procedures in Electrical Diagnosis.

Was a problem found?

--

Go to Step 14

Refer to Diagnosis in Charging Systems

13

Replace the PCM.

Important: Replacement PCM must be programmed. Refer to Powertrain Control Module Replacement/Programming .

Is action complete?

--

Go to Step 14

--

14

  1. Clear DTCs.
  2. Start and run engine above 1000 rpm.
  3. Observe Ignition 1 on the scan tool.

Is Ignition 1 voltage between the specified values?

9V-16V

System OK

Go to Step 2