GM Service Manual Online
For 1990-2009 cars only
Makes
🢒
Pontiac
🢒
1997
🢒
Grand Prix
🢒 VIN 1 Fuel Control
VIN 1 Fuel Control
VIN 1 Fuel Control
Fuel Injectors
Engine Controls Components
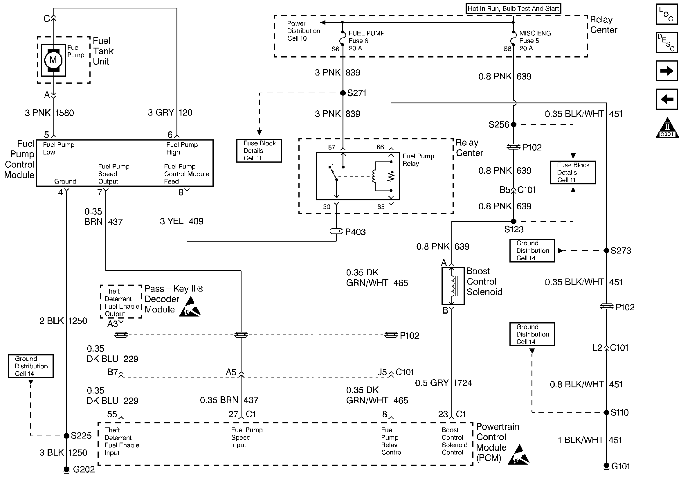
Fuel Pump Electrical Circuit Diagnosis VIN 1
OBD II Symbol Description Notice
VIN K Fuel Conrol
Handling ESD Sensitive Parts Notice