GM Service Manual Online
For 1990-2009 cars only
Makes
🢒
Pontiac
🢒
1997
🢒
Grand Prix
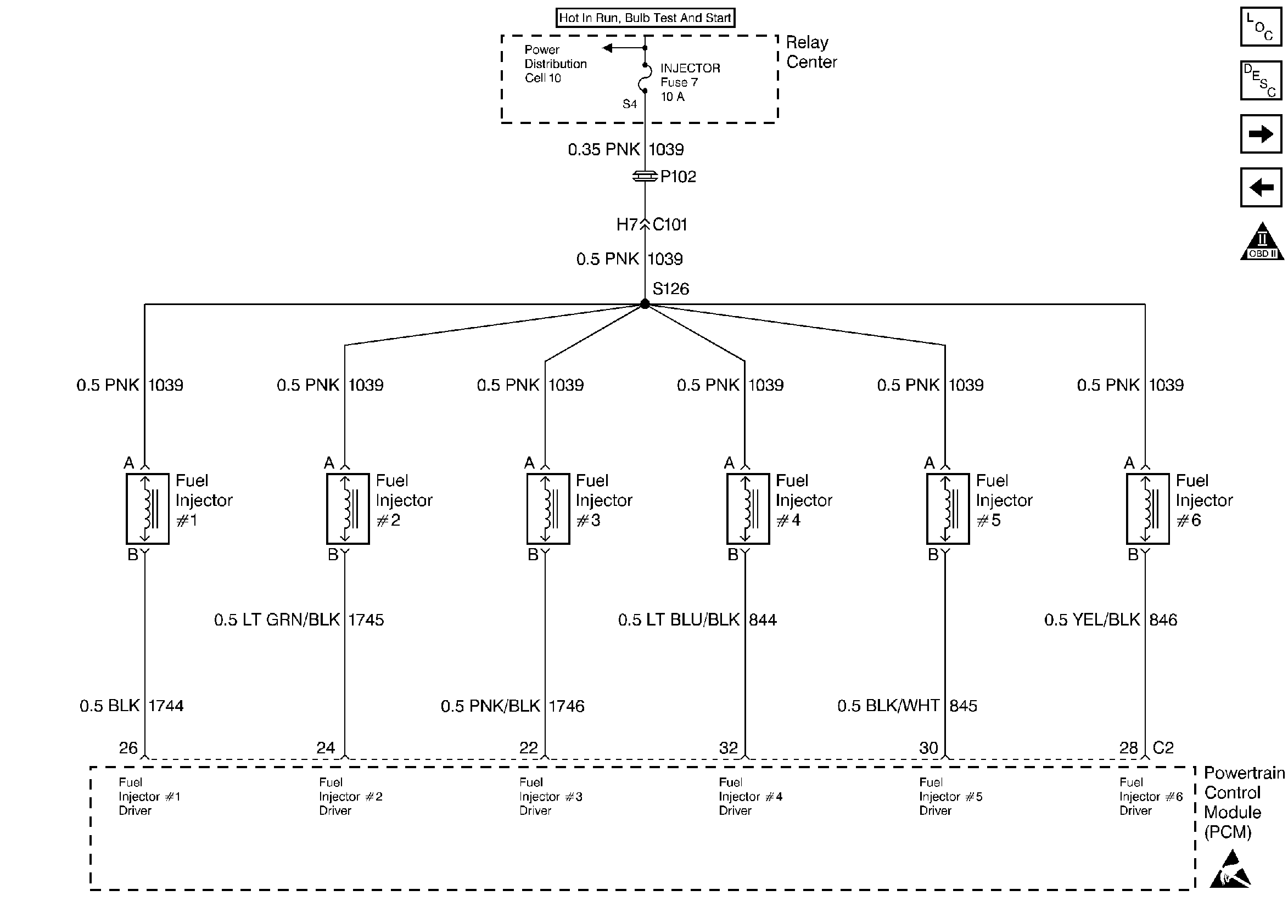
🢒 Fuel Injectors
Fuel Injectors
Fuel Injectors
A/C Presure, Fuel Tank Pressure, TP, MAP, IAT, ECT Sensors
Engine Controls Components
Fuel System Diagnosis
OBD II Symbol Description Notice
VIN 1 Fuel Control
Handling ESD Sensitive Parts Notice