GM Service Manual Online
For 1990-2009 cars only
Makes
🢒
Pontiac
🢒
1997
🢒
Grand Prix
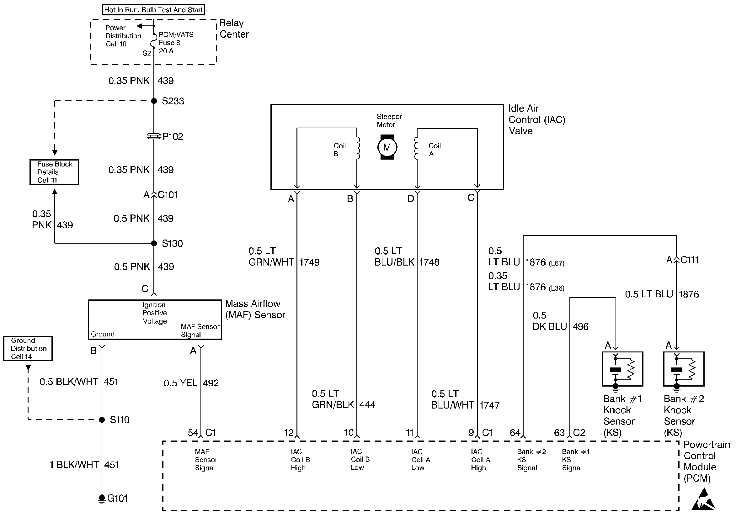
🢒 MAF, IAC, Knock Sensors
MAF, IAC, Knock Sensors
MAF, IAC, Knock Sensors
HO2S Sensors
Engine Controls Components
Information Sensors
OBD II Symbol Description Notice
EGR Valve, EVAP System
Handling ESD Sensitive Parts Notice