GM Service Manual Online
For 1990-2009 cars only
Makes
🢒
Pontiac
🢒
1997
🢒
Grand Prix
🢒 HAVOC Control
HAVOC Control
HVAC Control
HAVOC Programmer
Engine Controls Components
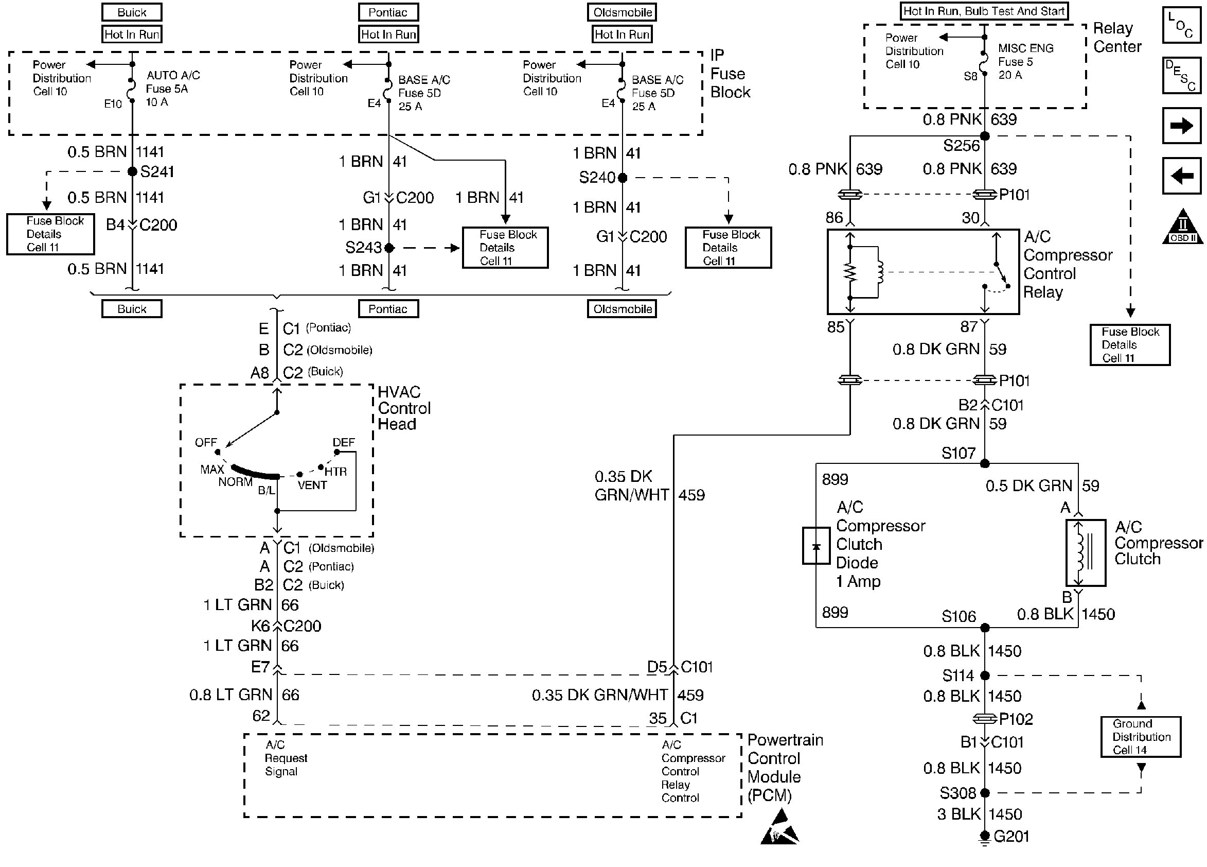
Powertrain Control Module Controlled Air Conditioning (A/C) Circuit Diagnosis
Gen Control, Volts Lamp, Shift Select Switch, EBTCM Module
OBD II Symbol Description Notice
Handling ESD Sensitive Parts Notice