GM Service Manual Online
For 1990-2009 cars only
Makes
🢒
Pontiac
🢒
1997
🢒
Grand Prix
🢒 HAVOC Programmer
HAVOC Programmer
HVAC Programmer
Cooling Fans
Engine Controls Components
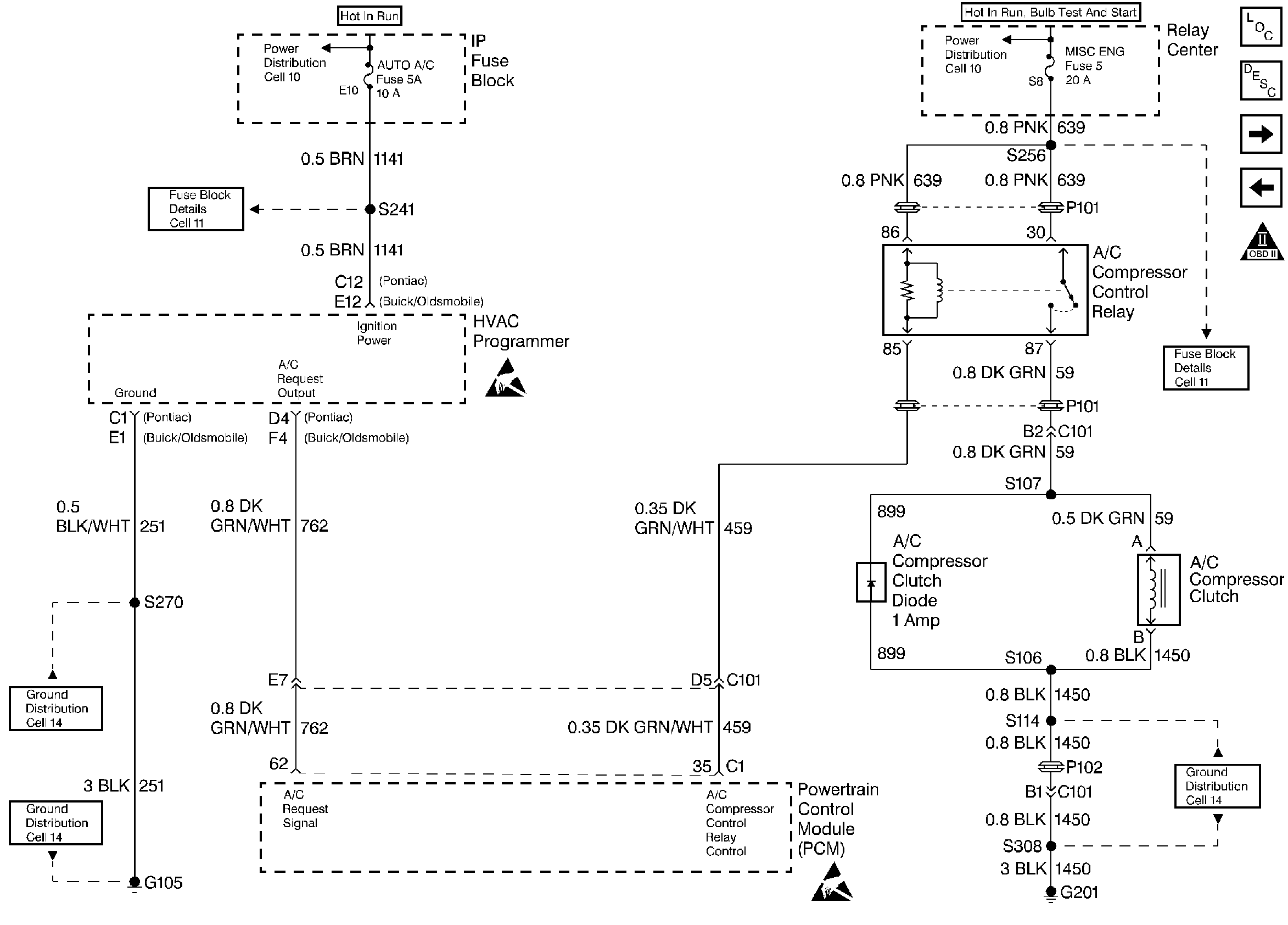
Powertrain Control Module Controlled Air Conditioning (A/C) Circuit Diagnosis
HAVOC Control
OBD II Symbol Description Notice
Handling ESD Sensitive Parts Notice