GM Service Manual Online
For 1990-2009 cars only
Makes
🢒
Pontiac
🢒
1997
🢒
Grand Prix
🢒 Cooling Fans
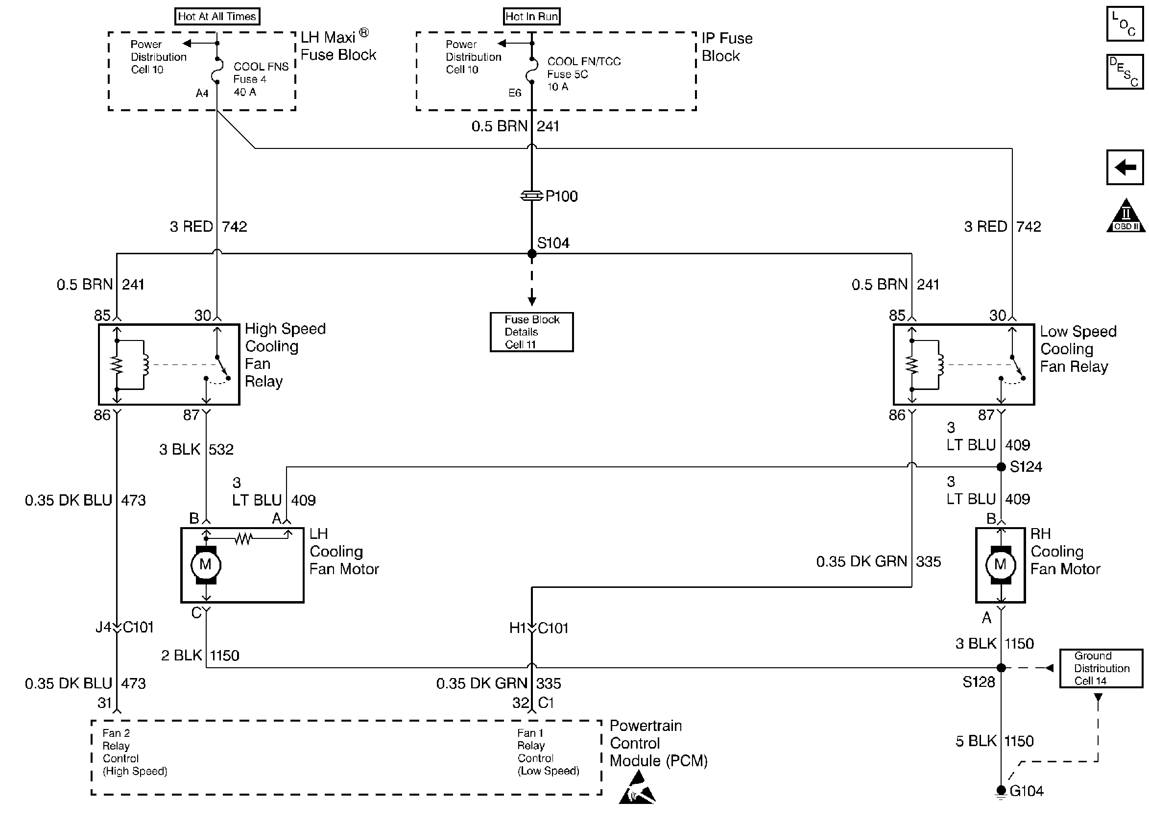
Cooling Fans
Cooling Fans
HAVOC Programmer
Engine Controls Components
Electric Cooling Fan Diagnosis
OBD II Symbol Description Notice
Handling ESD Sensitive Parts Notice