GM Service Manual Online
For 1990-2009 cars only
Makes
🢒
Pontiac
🢒
1997
🢒
Grand Prix
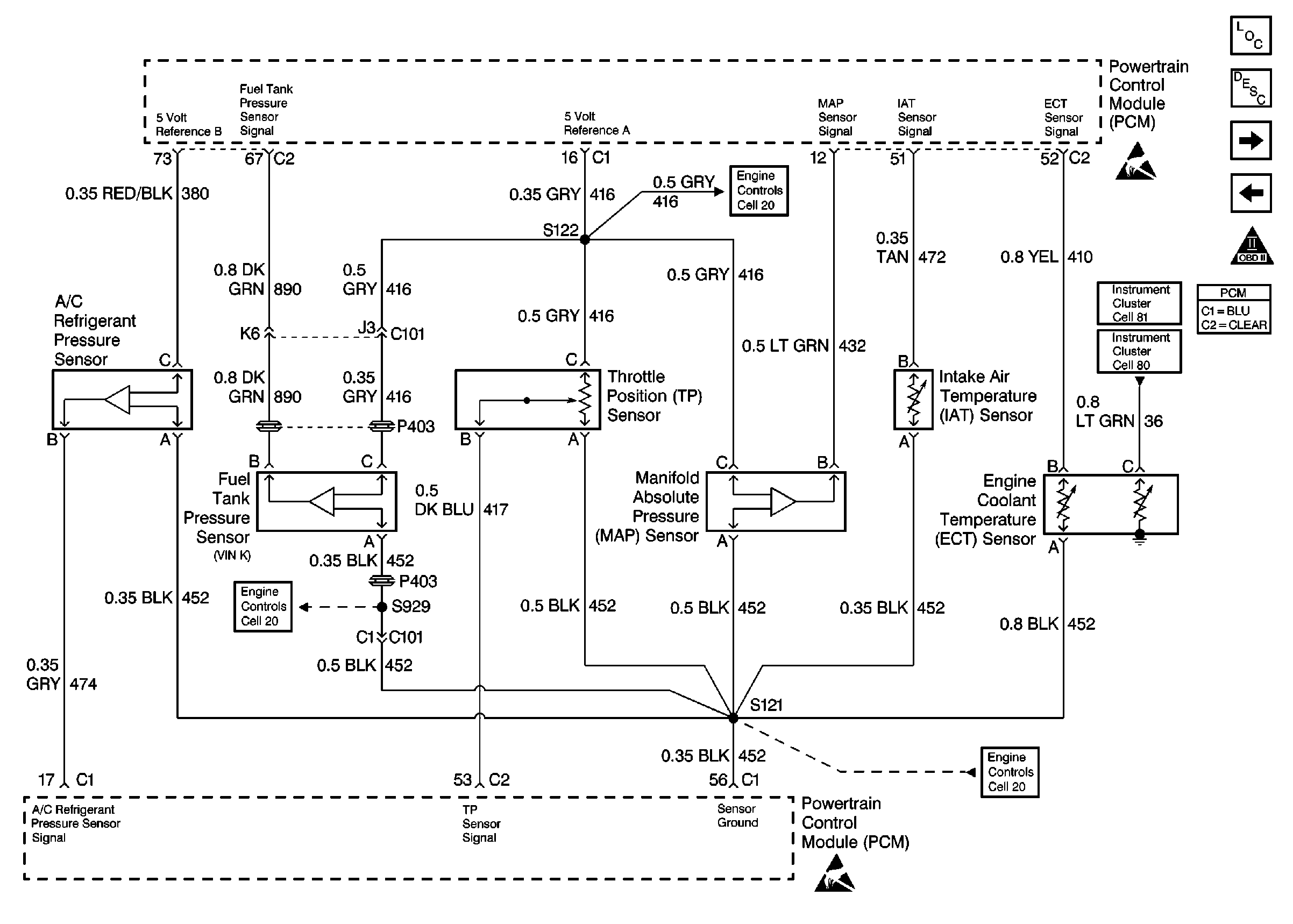
🢒 A/C Presure, Fuel Tank Pressure, TP, MAP, IAT, ECT Sensors
A/C Presure, Fuel Tank Pressure, TP, MAP, IAT, ECT Sensors
A/C Presure,Fuel Tank Presure, TP, MAP, IAT, ECT Sensors
EGR Valve, EVAP System
Engine Controls Components
Information Sensors
OBD II Symbol Description Notice
Fuel Injectors
Handling ESD Sensitive Parts Notice
Handling ESD Sensitive Parts Notice