GM Service Manual Online
For 1990-2009 cars only
Makes
🢒
Pontiac
🢒
1997
🢒
Grand Prix
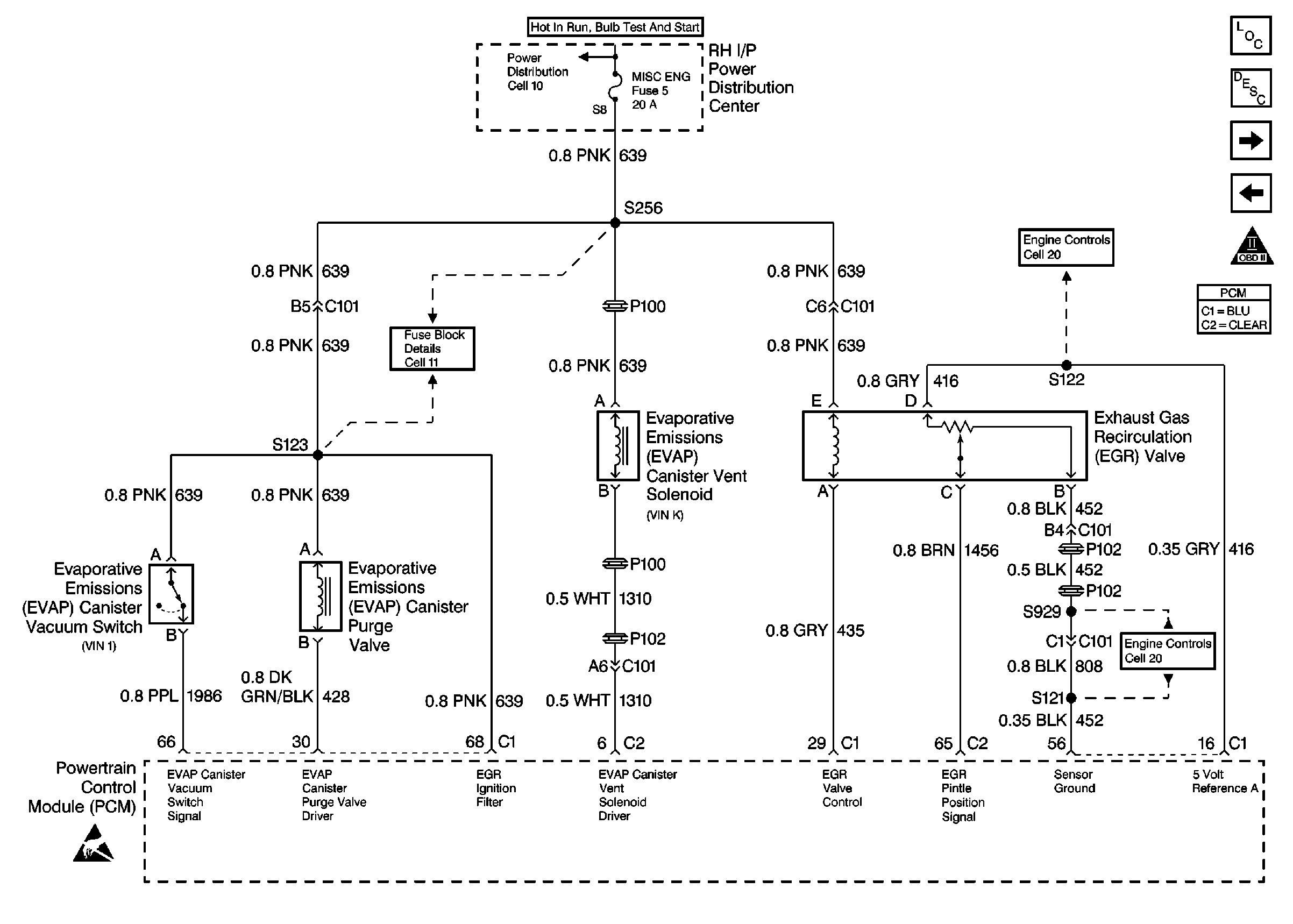
🢒 EGR Valve, EVAP System
EGR Valve, EVAP System
EGR Valve, EVAP System
MAF, IAC, Knock Sensors
Engine Controls Components
Information Sensors
OBD II Symbol Description Notice
A/C Presure, Fuel Tank Pressure, TP, MAP, IAT, ECT Sensors
Handling ESD Sensitive Parts Notice