GM Service Manual Online
For 1990-2009 cars only
Makes
🢒
Pontiac
🢒
1997
🢒
Grand Prix
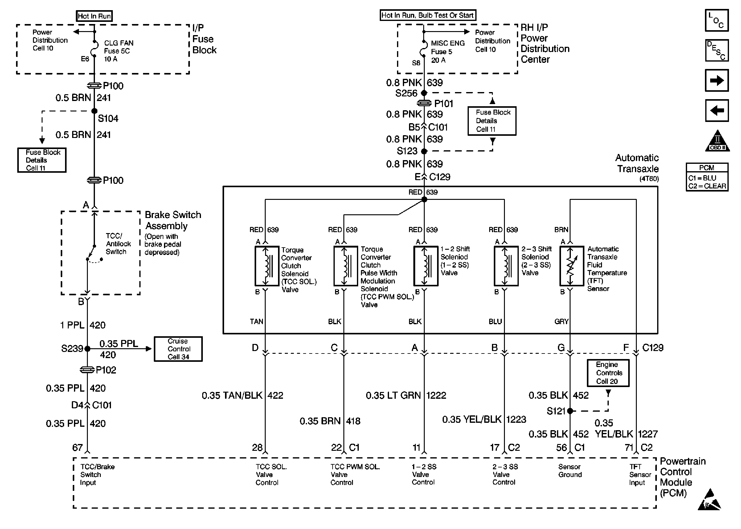
🢒 TCC Brake Switch, TCC Solenoid
TCC Brake Switch, TCC Solenoid
TCC Brake Switch, TCC Solenoid
Engine Oil Life Reset, Engine Oil Life Level Switch
Engine Controls Components
Information Sensors
OBD II Symbol Description Notice
Trans Range
Handling ESD Sensitive Parts Notice