GM Service Manual Online
For 1990-2009 cars only
Makes
🢒
Pontiac
🢒
1997
🢒
Grand Prix
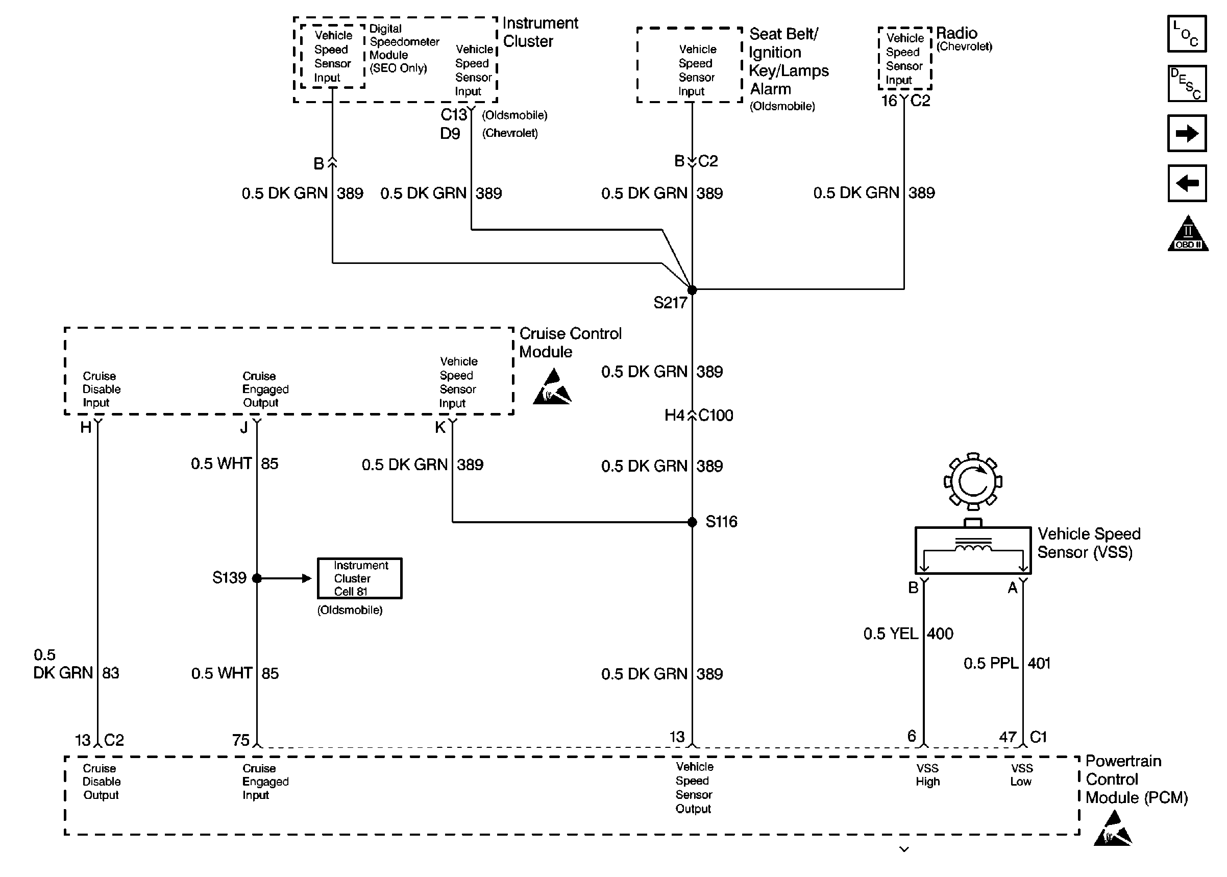
🢒 Vehicle Speed Sensor
Vehicle Speed Sensor
Vehicle Speed Sensor
Engine Controls Components
Information Sensors
A/C Compressor Controls (Chevrolet)
4-Speed Automatic Transaxle, TCC Sw
OBD II Symbol Description Notice
Handling ESD Sensitive Parts Notice
Handling ESD Sensitive Parts Notice