GM Service Manual Online
For 1990-2009 cars only
Makes
🢒
Pontiac
🢒
1997
🢒
Grand Prix
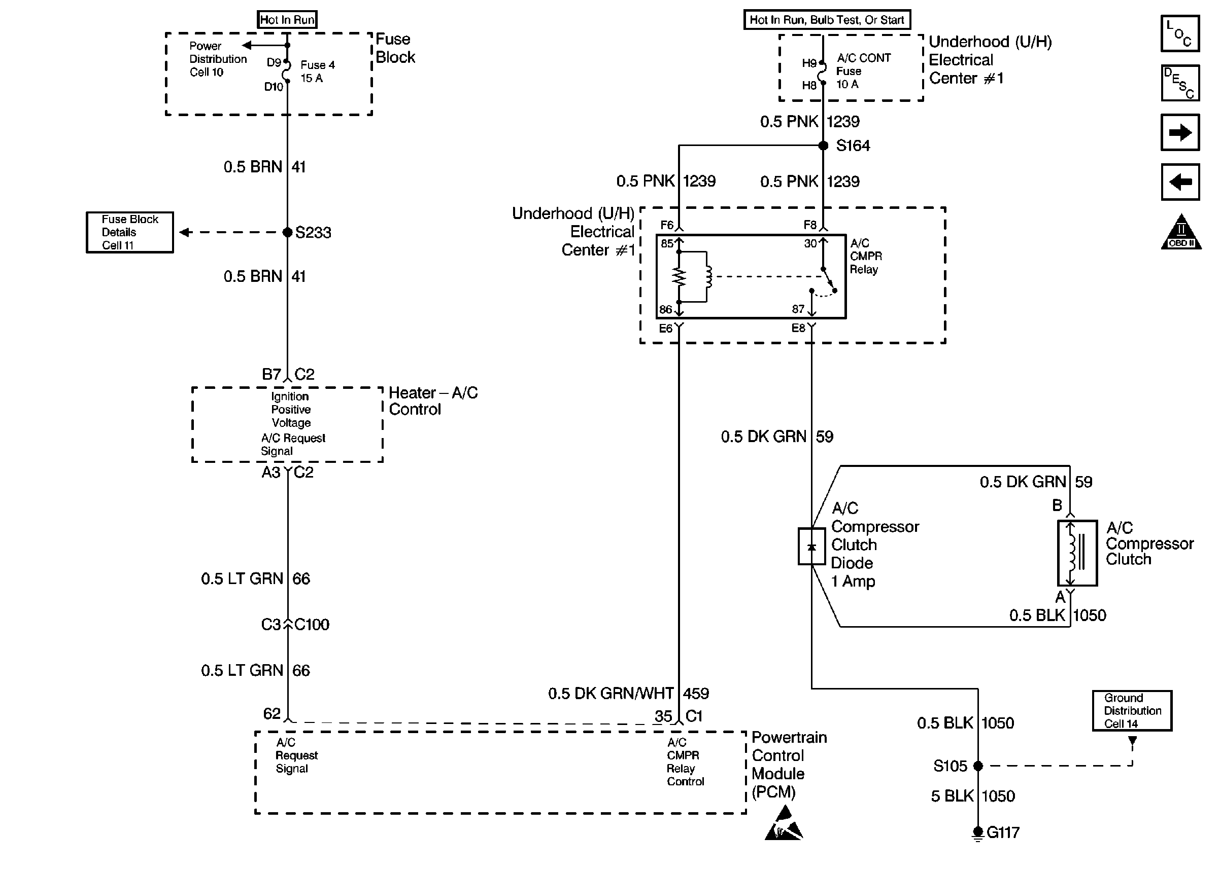
🢒 A/C Compressor Controls (Chevrolet)
A/C Compressor Controls (Chevrolet)
A/C Compressor Controls (Chevrolet)
Engine Controls Components
Information Sensors
A/C Compressor Controls (Oldsmobile)
Vehicle Speed Sensor
OBD II Symbol Description Notice
Handling ESD Sensitive Parts Notice