GM Service Manual Online
For 1990-2009 cars only
Makes
🢒
Pontiac
🢒
1997
🢒
Grand Prix
🢒 Fuel Control (VIN 1)
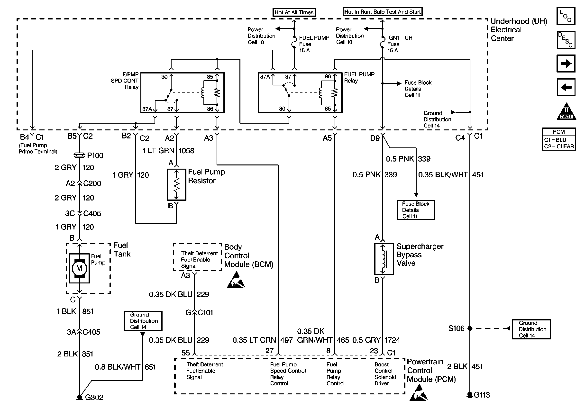
Fuel Control (VIN 1)
Fuel Control (VIN 1)
Engine Controls Components
Information Sensors
Fuel Injectors
Fuel Control (VIN K)
OBD II Symbol Description Notice
Handling ESD Sensitive Parts Notice
Handling ESD Sensitive Parts Notice