GM Service Manual Online
For 1990-2009 cars only
Makes
🢒
Pontiac
🢒
1997
🢒
Grand Prix
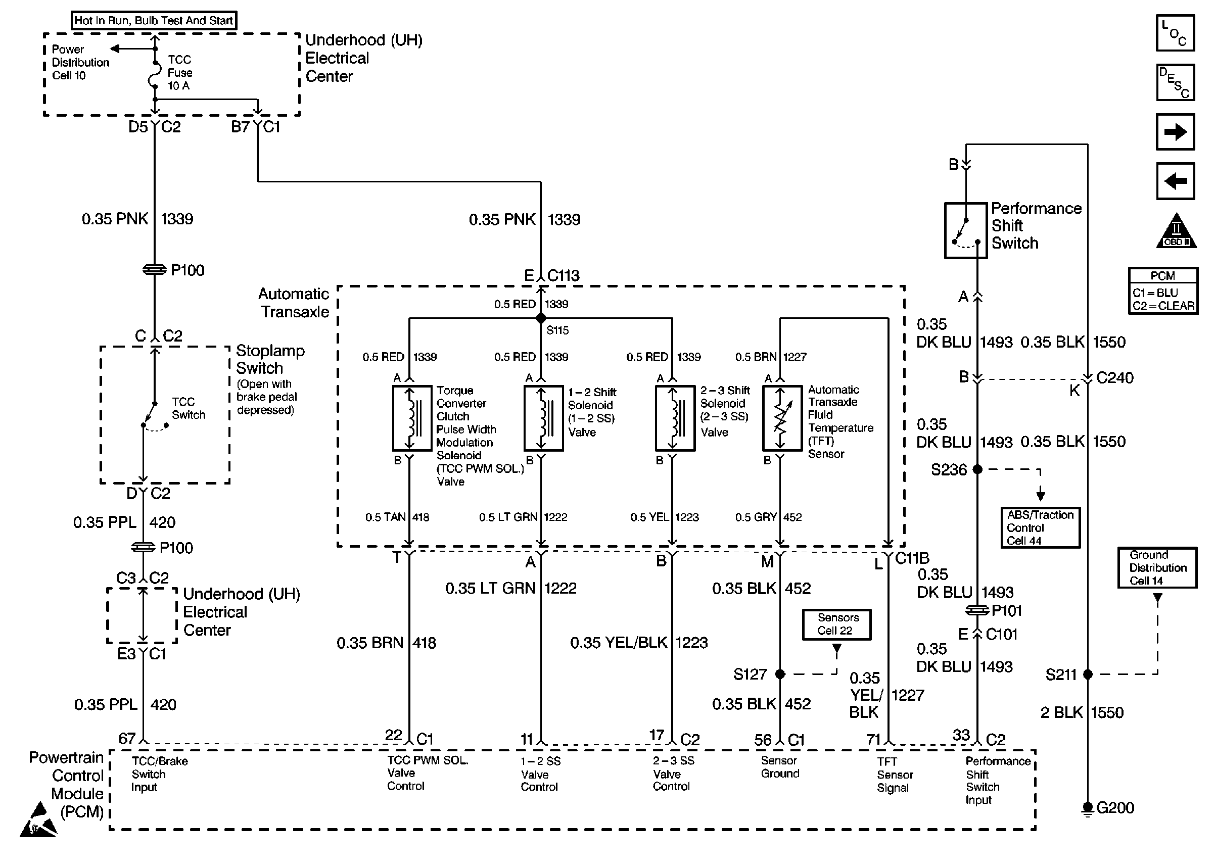
🢒 Automatic Transaxle (4T65-E) part 1, TCC switch, Performance Shift switch
Automatic Transaxle (4T65-E) part 1, TCC switch, Performance Shift switch
Automatic Transaxle (4T65-E) part 1, TCC switch, Performance Shift switch
Engine Controls Components
Information Sensors
Automatic Transaxle (4T65-E) part 2
Automatic Transaxle (4T60-E), TCC switch
OBD II Symbol Description Notice
Handling ESD Sensitive Parts Notice