GM Service Manual Online
For 1990-2009 cars only

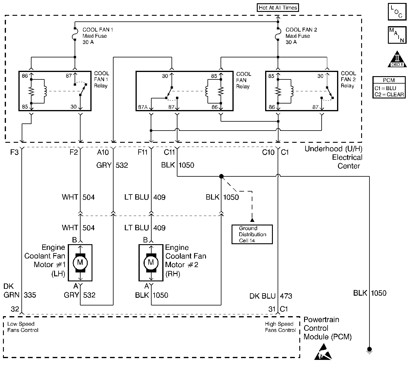
Object Number: 125798  Size: LF
Engine Controls Components
Coolant Fans
OBD II Symbol Description Notice

Circuit Description

Output Driver Modules (ODMs) are used by the PCM to turn on many of the current-driven devices that are needed to control various engine and Transaxle functions. Each ODM is capable of controlling up to 7 separate outputs by applying ground to the device which the PCM is commanding ON. Unlike the Quad Driver Modules (QDMs) used in prior model years, ODMs have the capability of diagnosing each output circuit individually. DTC P1651 set indicates an improper voltage level has been detected on ODM B output 1, which controls the Fan 1 relay.

Conditions for Setting the DTC

    • The ignition is ON.
    • An improper voltage level has been detected on ODM B output 1 (the Fan 1 relay control circuit).
    • The above conditions present for at least 30 seconds.

Action Taken When the DTC Sets

    • The PCM will illuminate the MIL during the second consecutive trip in which the diagnostic test has been run and failed.
    • The PCM will store conditions which were present when the DTC set as Freeze Frame and Fail Records data.

Conditions for Clearing the MIL/DTC

    • The PCM will turn the MIL OFF during the third consecutive trip in which the diagnostic has been run and passed.
    • The history DTC will clear after 40 consecutive warm-up cycles have occurred without a malfunction.
    • The DTC can be cleared by using the scan tool Clear Info function or by disconnecting the PCM battery feed.

Diagnostic Aids

Check for the following conditions:

    • Poor connection at the PCM. Inspect harness connectors for backed out terminals, improper mating, broken locks, improperly formed or damaged terminals, and poor terminal to wire connection.
    • Damaged harness. Inspect the wiring harness for damage.
    • If the harness appears to be OK, disconnect the PCM, turn the ignition ON and observe a voltmeter connected between the Fan 1 control circuit and ground at the PCM harness connector while moving connectors and wiring harnesses related to the Fan 1 relay. A change in voltage will indicate the location of the malfunction.

Reviewing the Fail Records vehicle mileage since the diagnostic test last failed may help determine how often the condition that caused the DTC to be set occurs. This may assist in diagnosing the condition.

Test Description

Number(s) below refer to the step number(s) on the Diagnostic Chart.

  1. This vehicle is equipped with a PCM which utilizes an Electrically Erasable Programmable Read Only Memory (EEPROM). When the PCM is being replaced, the new PCM must be programmed.

DTC P1651 - Fan 1 Relay Control Circuit

Step

Action

Value(s)

Yes

No

1

Was the On-Board Diagnostic (OBD) System Check performed?

--

Go to Step 2

Go to the Powertrain On Board Diagnostic (OBD) System Check

2

Does fan 1 run continuously?

--

Go to Step 3

Go to Step 5

3

  1. Remove the Cool fan 1 relay.
  2. Disconnect the PCM connector.
  3. Connect J34142-B test light to B+.
  4. Probe the Coolant fan 1 relay control circuit terminal in the relay connector.

Is the test light ON?

--

Go to Step 4

Go to Step 17

4

Locate and repair the short to ground in the Low Speed Fans control circuit (CKT 335). Refer to Repair Procedures in Electrical Diagnosis.

Is action complete?

--

Go to Step 18

--

5

  1. Disconnect the PCM connector.
  2. Using J39200 digital multimeter (DMM), measure the voltage between the fan 1 driver circuit and ground.

Does the DMM display a voltage near the specified value?

B+

Go to Step 6

Go to Step 8

6

  1. Leave the PCM disconnected.
  2. Set the DMM to the 10 amp scale.
  3. Measure the current between the Low Speed Fans Control circuit and ground.
  4. Monitor the reading for a minimum of 2 minutes.

Does the DMM display a current reading within the specified values?

0.1-1.5 Amps

Go to Step 7

Go to Step 11

7

  1. Remove the Cool fan 1 relay.
  2. Reconnect the PCM connector.
  3. Connect a test light between the B+ feed and the Low Speed Fans control circuit in the relay connector.
  4. Using a scan tool, command fan 1 ON and OFF.

Does the test light flash?

--

Refer to Diagnostic Aids

Go to Step 12

8

  1. Leave the PCM disconnected.
  2. Remove the Cool fan 1 relay.
  3. Connect a test light to ground.
  4. Probe the B+ feed terminal in the relay connector.

Is the test light ON?

--

Go to Step 9

Go to Step 13

9

  1. Leave the PCM disconnected.
  2. Leave the relay disconnected.
  3. Connect a fused jumper between the B+ feed and the Low Speed Fans control terminals in the relay connector.
  4. Using the DMM, measure the voltage between the driver circuit and ground.

Does the DMM display a voltage near the specified value?

B+

Go to Step 10

Go to Step 14

10

  1. Check for poor terminal connection(s) in the relay connector.
  2. If a problem is found, replace faulty terminal(s). Refer to Repair Procedures in Electrical Diagnosis.

Was a problem found?

--

Go to Step 18

Go to Step 15

11

  1. Leave the PCM disconnected.
  2. Remove the Cool fan 1 relay.
  3. Using the DMM, measure the voltage between the Low Speed Fans control circuit and ground.

Does the DMM display a voltage near the specified value?

0V

Go to Step 15

Go to Step 16

12

  1. Check the Coolant fan 1 relay control circuit for a poor connection at the PCM.
  2. If a problem is found, replace faulty terminal. Refer to Repair Procedures in Electrical Diagnosis.

Was a problem found?

--

Go to Step 18

Go to Step 17

13

Locate and repair open in the B+ feed to the Cool fan 1 relay. Refer to Repair Procedures in Electrical Diagnosis.

Is action complete?

--

Go to Step 18

--

14

Locate and repair the open in the Low Speed Fans control circuit. Refer to Repair Procedures in Electrical Diagnosis.

Is action complete?

--

Go to Step 18

--

15

Replace the cool fan 1 relay.

Is action complete?

--

Go to Step 18

--

16

Locate and repair the short to voltage in the Low Speed Fans control circuit. Refer to Repair Procedures in Electrical Diagnosis.

Is action complete?

--

Go to Step 18

--

17

Replace the PCM.

Important: Replacement PCM must be programmed. Refer to Powertrain Control Module Replacement/Programming .

Is action complete?

--

Go to Step 18

--

18

  1. Review and record scan tool Fail Records data.
  2. Clear DTCs.
  3. Operate vehicle within Fail Records conditions as noted.
  4. Using a scan tool, monitor SPECIFIC DTC info for DTC P1651 until the DTC P1651 test runs.

Does the scan tool indicate DTC P1651 failed this ign?

--

Go to Step 2

System OK