GM Service Manual Online
For 1990-2009 cars only

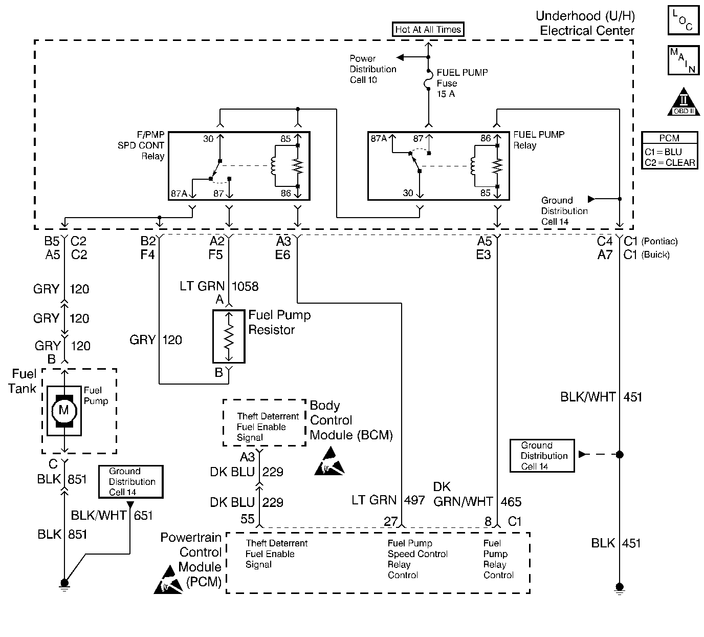
Object Number: 105018  Size: LF
Fuel Control (VIN 1)
OBD II Symbol Description Notice

Circuit Description

Output Driver Modules (ODMs) are used by the PCM to turn on many of the current-driven devices that are needed to control various engine and Transaxle functions. Each ODM is capable of controlling up to 7 separate outputs by applying ground to the device which the PCM is commanding ON. Unlike the Quad Driver Modules (QDMs) used in prior model years, ODMs have the capability of diagnosing each output circuit individually. DTC P1643 set indicates an improper voltage level has been detected on ODM A output 3, which controls the Fuel Pump PWM signal to the fuel pump control module.

Conditions for Setting the DTC

    • The ignition is ON.
    • An improper voltage level has been detected on ODM A output 3 (the Fuel Pump PWM control circuit).
    • The above conditions are present for at least 30 seconds.

Action Taken When the DTC Sets

    • The PCM will not illuminate the Malfunction Indicator Lamp (MIL).
    • The PCM will store conditions which were present when the DTC set as Fail Records data only. This information will not be stored as Freeze Frame data.

Conditions for Clearing the MIL/DTC

    • A history DTC will clear after 40 consecutive warm-up cycles have occurred without a malfunction.
    • DTC can be cleared by using the scan tool Clear Info function or by disconnecting the PCM battery feed.

Diagnostic Aids

Check for the following conditions:

    • Poor connection at the PCM. Inspect harness connectors for backed out terminals, improper mating, broken locks, improperly formed or damaged terminals, and poor terminal to wire connection.
    • Damaged harness. Inspect the wiring harness for damage.
    • If the harness appears to be OK, disconnect the PCM, turn the ignition ON and observe a digital multimeter connected between the Fuel Pump Speed Control PWM circuit and ground at the PCM harness connector while moving connectors and wiring harnesses related to the Fuel Pump Control Module. A change in voltage will indicate the location of the malfunction.

Reviewing the Fail Records vehicle mileage since the diagnostic test last failed may help determine how often the condition that caused the DTC to be set occurs. This may assist in diagnosing the condition.

Test Description

Number(s) below refer to the step number(s) on the Diagnostic Chart.

  1. Normally, ignition feed voltage present on the output driver circuit with the PCM disconnected and the ignition turned ON.

  2. Checks for a shorted component or a short to B+ on the output driver circuit. Either condition would result in a measured current of over 0.5 amps.

  3. Checks for a faulty Fuel Pump Speed Control Relay.

  4. This vehicle is equipped with a PCM which utilizes an Electrically Erasable Programmable Read Only Memory (EEPROM). When the PCM is being replaced, the new PCM must be programmed.

DTC P1643 - Fuel Pump Speed Control Circuit

Step

Action

Value(s)

Yes

No

1

Was the Powertrain On-Board Diagnostic System Check performed?

--

Go to Step 2

Go to the Powertrain OBD System Check

2

Important: If the vehicle cranks but will not run, refer to Engine Cranks But Will Not Run.

  1. Turn OFF the ignition switch, disconnect the PCM.
  2. Disconnect the fuel pump relay.
  3. Install a jumper between the fuel pump relay connector terminals 30 and 87.
  4. Turn ON the ignition switch.
  5. Using DVM (J 39200), measure voltage between the Fuel Pump Speed Control driver circuit at the PCM harness connector and ground.

Is voltage near the specified value?

B+

Go to Step 3

Go to Step 6

3

  1. Turn OFF the ignition.
  2. Set up DVM to measure 10 amp range.
  3. Remove the fuel pump relay.
  4. Connect a 15A fused jumper between cavities 30 and 87 in the relay connector.
  5. Monitor the current reading between the Fuel Pump Speed Control driver circuit at the PCM connector and ground for 10 seconds.

Does the current reading remain within the

specified values?

0.5 - 1.5 Amp

Go to Step 9

Go to Step 4

4

  1. Leave the 15A fused jumper between cavities 30 and 87 in the fuel pump relay connector.
  2. Remove the Fuel Pump Speed Control relay.
  3. Set up DVM to measure 10 amp range.
  4. Monitor the current reading between the Fuel Pump Speed Control driver circuit at the PCM connector and ground for 10 seconds.

Is the current reading less than the specified value?

0.5 Amp

Go to Step 10

Go to Step 5

5

Locate and repair short to voltage in the Fuel Pump Speed Control driver circuit. Refer to Repair Procedures in Electrical Diagnosis.

Is action complete?

--

Go to Step 12

--

6

  1. Disconnect the fuel pump and fuel pump speed control relay.
  2. Connect a test light between cavity 87 in the fuel pump relay connector and cavity 85 in the fuel pump speed control relay connector.

Is the test light ON?

--

Go to Step 8

Go to Step 7

7

Locate and repair open in the fuel pump speed control driver circuit. Refer to Repair Procedures in Electrical Diagnosis.

Is action complete?

--

Go to Step 12

--

8

Locate and repair short to ground in the fuel pump speed control driver circuit. Refer to Repair Procedure in Electrical Diagnosis.

Is action complete?

--

Go to Step 12

--

9

  1. Check the Fuel Pump Speed Control driver circuit for a poor connection at the PCM.
  2. If a problem is found, replace faulty terminal.

Was a problem found?

--

Go to Step 12

Go to Step 11

10

Replace the Fuel Pump Speed Control relay.

Is action complete?

--

Go to Step 12

--

11

Replace the PCM.

Important: Replacement PCM must be programmed. Refer to Powertrain Control Module Replacement/Programming

Is action complete?

--

Go to Step 12

--

12

  1. Review and record scan tool Fail Records data.
  2. Clear DTCs.
  3. Operate vehicle within Fail Records conditions as noted.
  4. Using a scan tool, monitor Specific DTC info for DTC P1643 until the DTC P1643 test runs.

Note test result; does scan tool indicate DTC P1643 failed this ign?

--

Go to Step 2

System OK