GM Service Manual Online
For 1990-2009 cars only
Makes
🢒
Pontiac
🢒
1998
🢒
Grand Prix
🢒 Cooling Fans
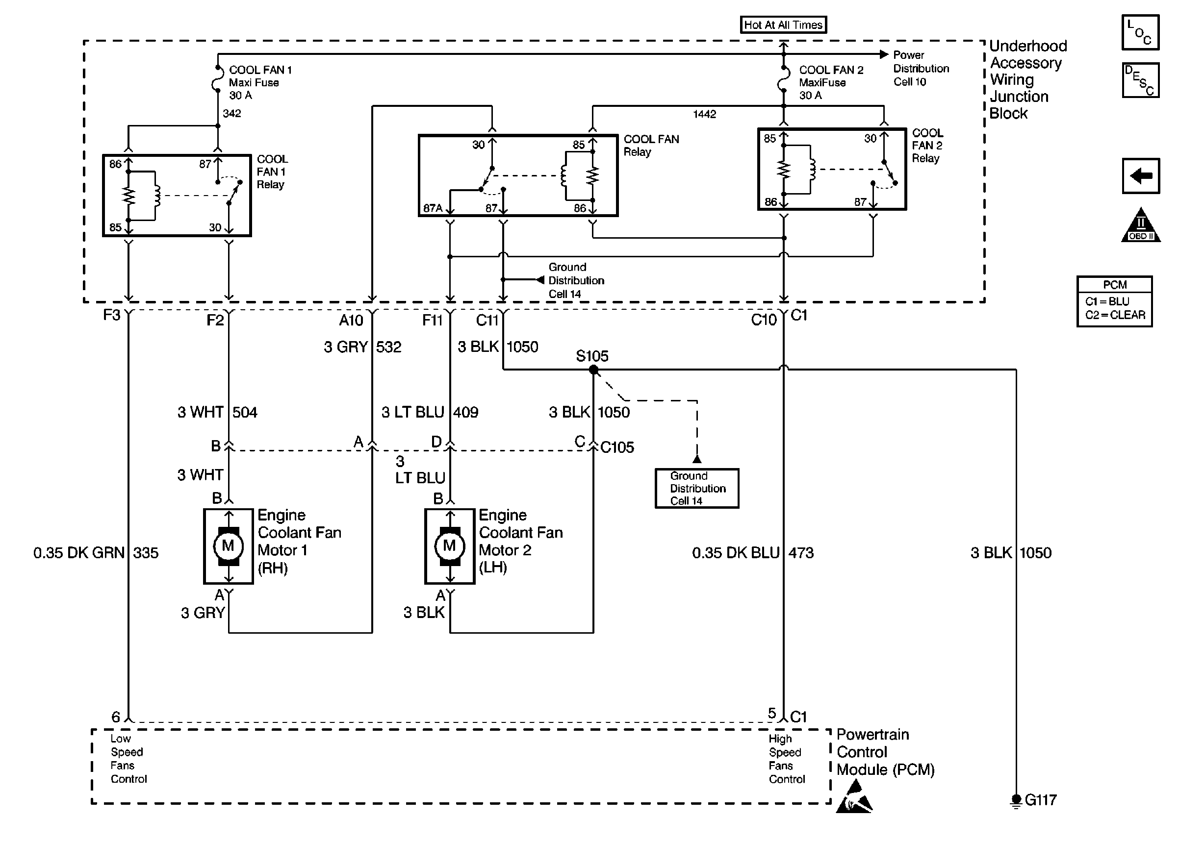
Cooling Fans
Cooling Fans
Engine Controls Components
Powertrain Control Module Description
HO2S Inputs
OBD II Symbol Description Notice
Power Distribution Schematics
Ground Distribution Schematics
Ground Distribution Schematics
Handling ESD Sensitive Parts Notice