GM Service Manual Online
For 1990-2009 cars only
Makes
🢒
Pontiac
🢒
1998
🢒
Grand Prix
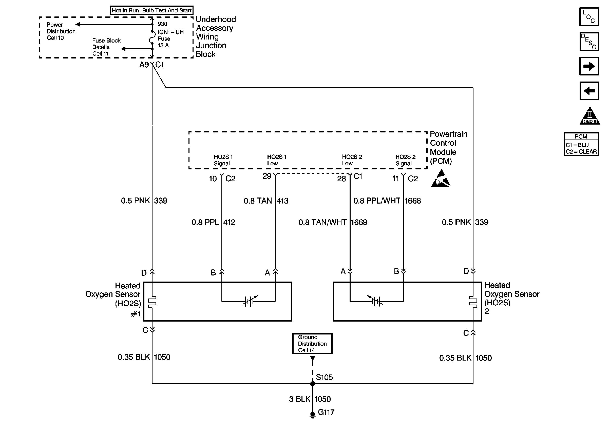
🢒 HO2S Inputs
HO2S Inputs
HO2S Inputs
Engine Controls Components
Powertrain Control Module Description
Cooling Fans
Injector Control
OBD II Symbol Description Notice
Handling ESD Sensitive Parts Notice
Ground Distribution Schematics
Fuse Block Schematics
Power Distribution Schematics