GM Service Manual Online
For 1990-2009 cars only
Makes
🢒
Pontiac
🢒
1998
🢒
Grand Prix
🢒 Power and Grounds
Power and Grounds
Power and Grounds
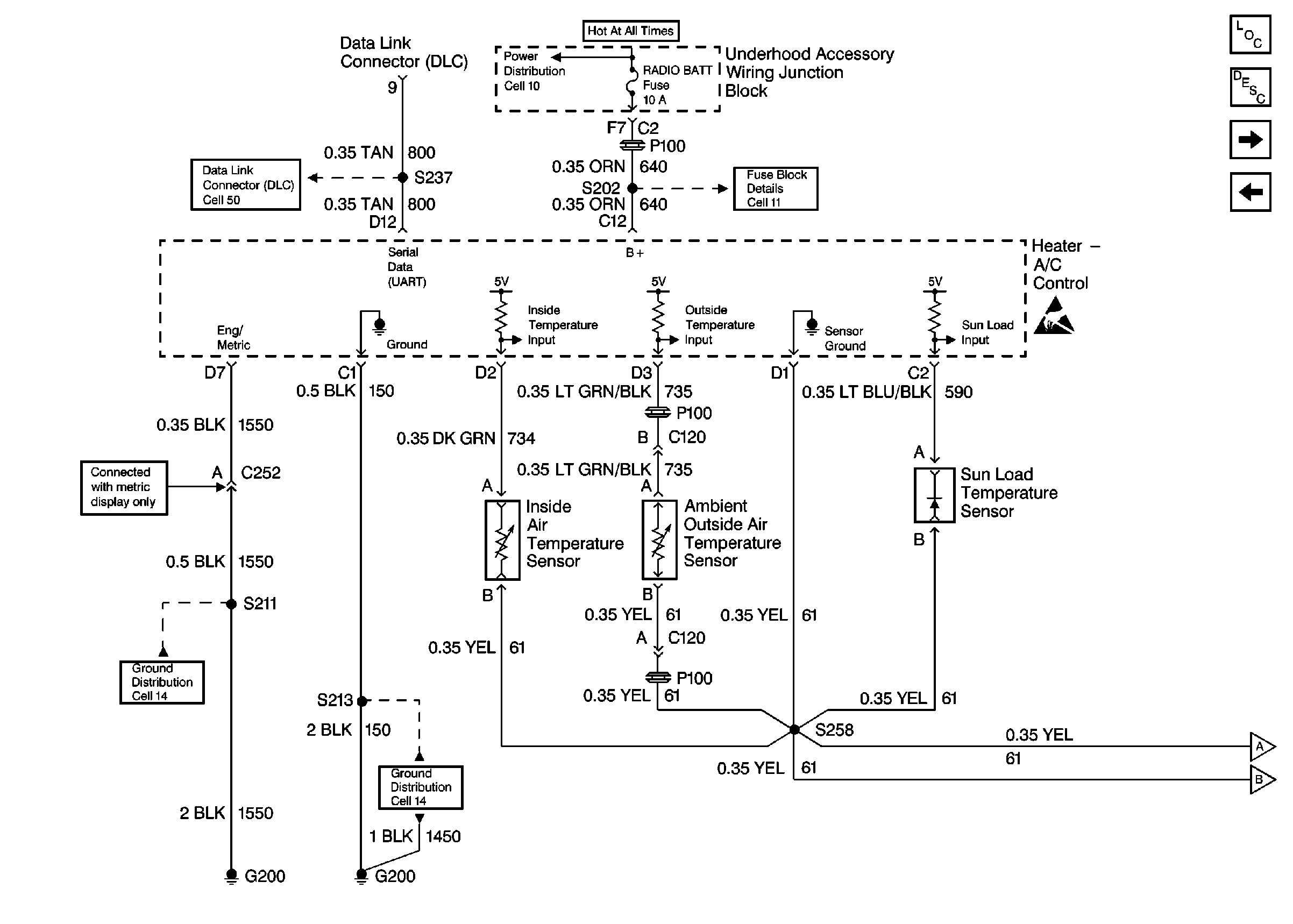
HVAC Components
HVAC Air Delivery/Temperature Control Circuit Description
Temperature Electric Actuators
Data Link Connector Schematics
Cell 11: RADIO BATT and PARK LP Fuses
Cell 14: RH I/P Ground G200 (1 of 4)
Cell 14: RH I/P Ground G200 (1 of 4)