GM Service Manual Online
For 1990-2009 cars only
Makes
🢒
Pontiac
🢒
1998
🢒
Grand Prix
🢒 Temperature Electric Actuators
Temperature Electric Actuators
Temperature Electric Actuators
HVAC Components
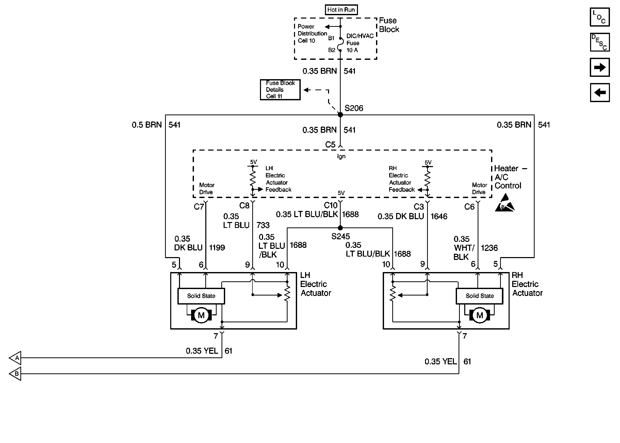
HVAC Air Delivery/Temperature Control Circuit Description
Vacuum Electric Solenoid
Power and Grounds
Cell 11: DIC/HVAC and HVAC CTRL Fuses
Handling ESD Sensitive Parts Notice