GM Service Manual Online
For 1990-2009 cars only
Makes
🢒
Pontiac
🢒
1998
🢒
Grand Prix
🢒 Air Delivery System
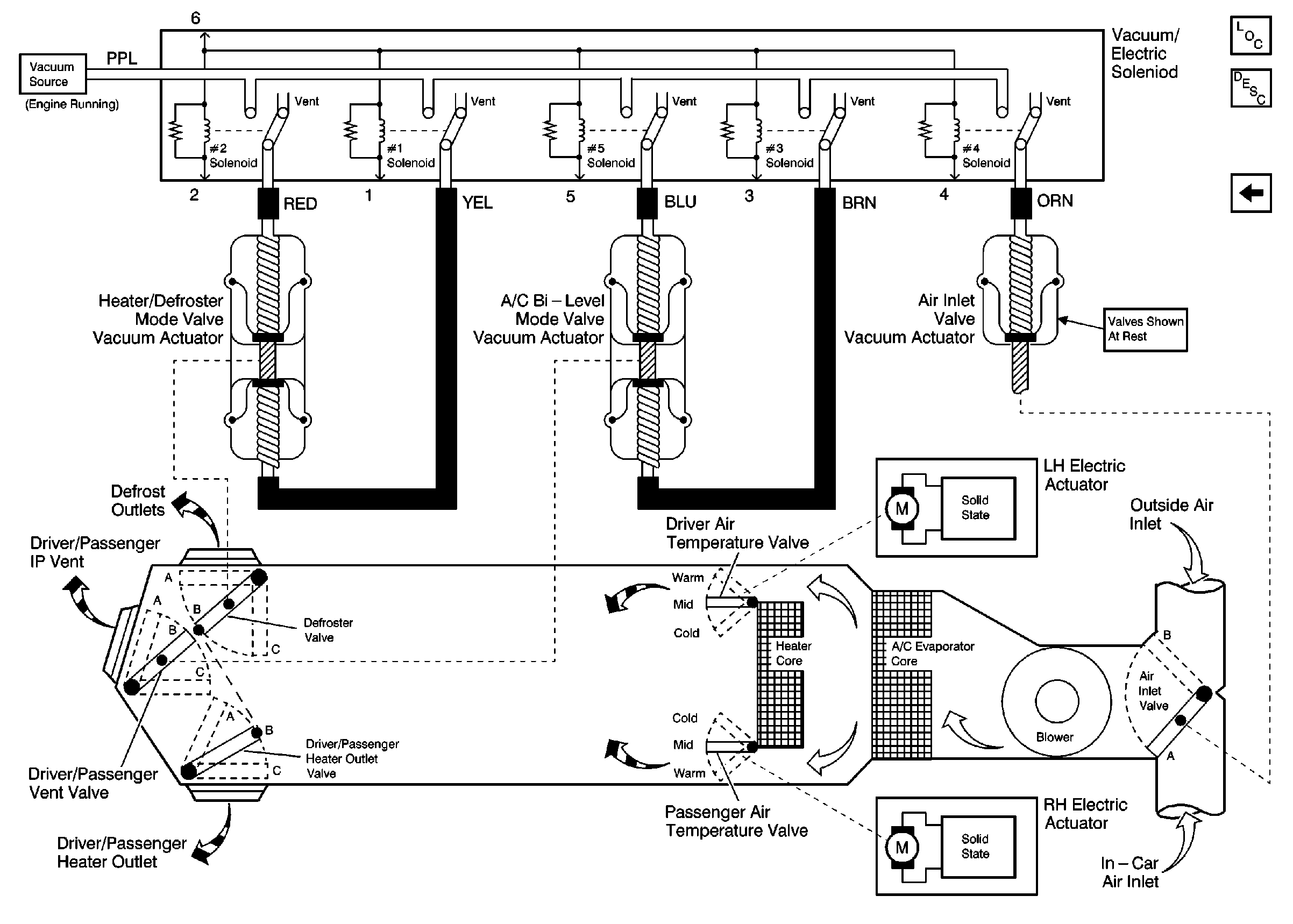
Air Delivery System
Air Delivery System
HVAC Components
HVAC Air Delivery/Temperature Control Circuit Description
Vacuum Electric Solenoid