GM Service Manual Online
For 1990-2009 cars only
Makes
🢒
Pontiac
🢒
1998
🢒
Grand Prix
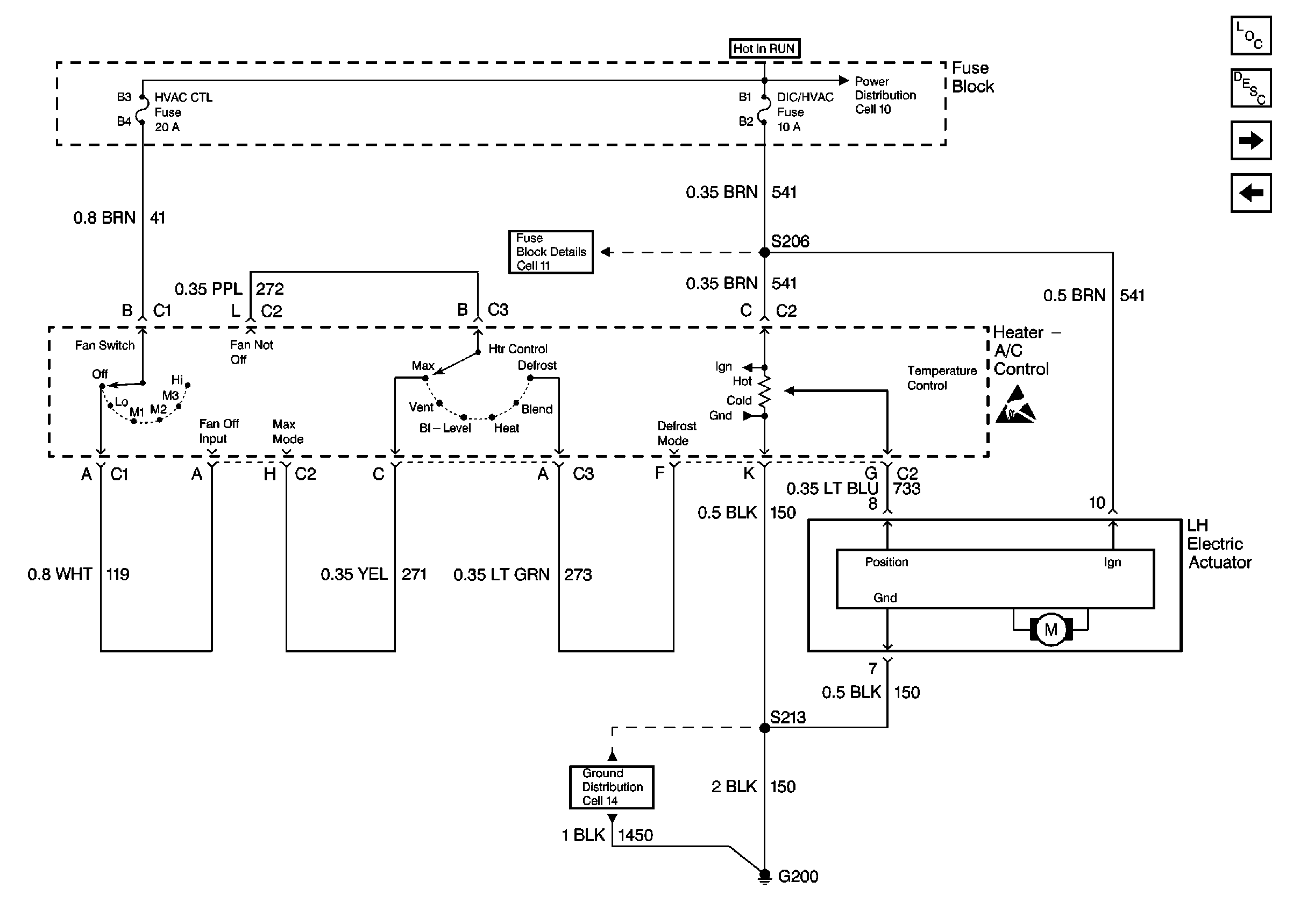
🢒 Cell 65: Heater A/C Control
Cell 65: Heater A/C Control
Cell 65: Heater A/C Control
HVAC Components
HVAC Air Delivery/Temperature Control Circuit Description
Cell 65: Vacuum/Electric Solenoid
Cell 64
Cell 11: DIC/HVAC and HVAC CTRL Fuses
Handling ESD Sensitive Parts Notice
Cell 14: RH I/P Ground G200 (1 of 4)