GM Service Manual Online
For 1990-2009 cars only
Makes
🢒
Pontiac
🢒
1998
🢒
Grand Prix
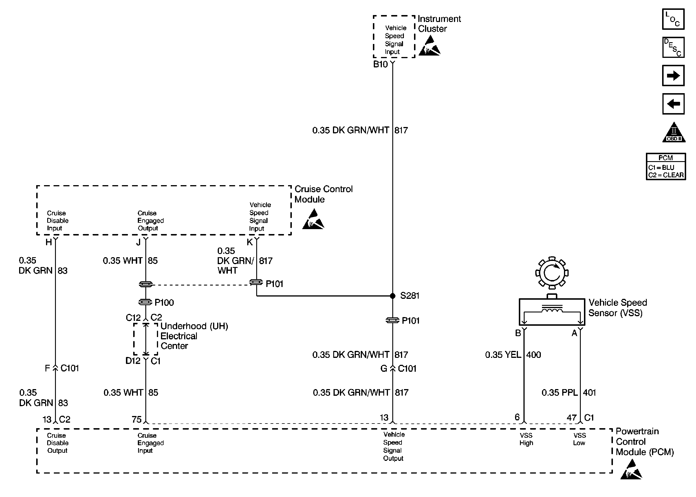
🢒 VSS, Cruise
VSS, Cruise
VSS, Cruise
Engine Controls Components Component Locations
Information Sensors
Transaxle Range Switch
IAC, Engine Oil Level, Engine Oil Pressure
OBD II Symbol Description Notice
Handling ESD Sensitive Parts Notice
Handling ESD Sensitive Parts Notice
Handling ESD Sensitive Parts Notice