GM Service Manual Online
For 1990-2009 cars only
Makes
🢒
Pontiac
🢒
1998
🢒
Grand Prix
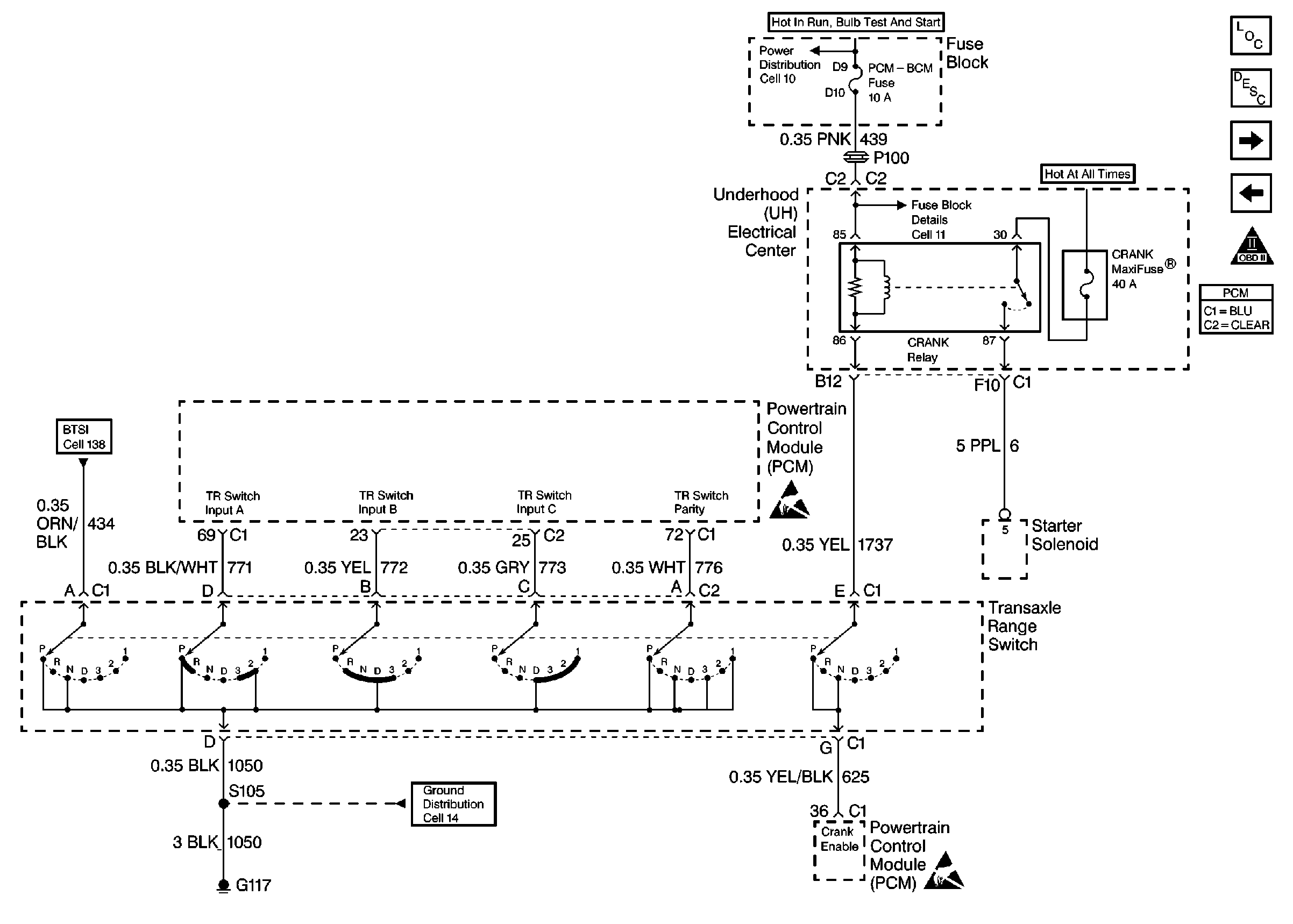
🢒 Transaxle Range Switch
Transaxle Range Switch
Transaxle Range Switch
Engine Controls Components Component Locations
Information Sensors
Automatic Transaxle (VIN K), TCC Switch
VSS, Cruise
Handling ESD Sensitive Parts Notice
Handling ESD Sensitive Parts Notice
OBD II Symbol Description Notice