GM Service Manual Online
For 1990-2009 cars only
Makes
🢒
Pontiac
🢒
1999
🢒
Grand Prix
🢒
Body and Accessories
🢒
Lighting Systems
🢒 Headlights/Daytime Running Lights (DRL) Schematics
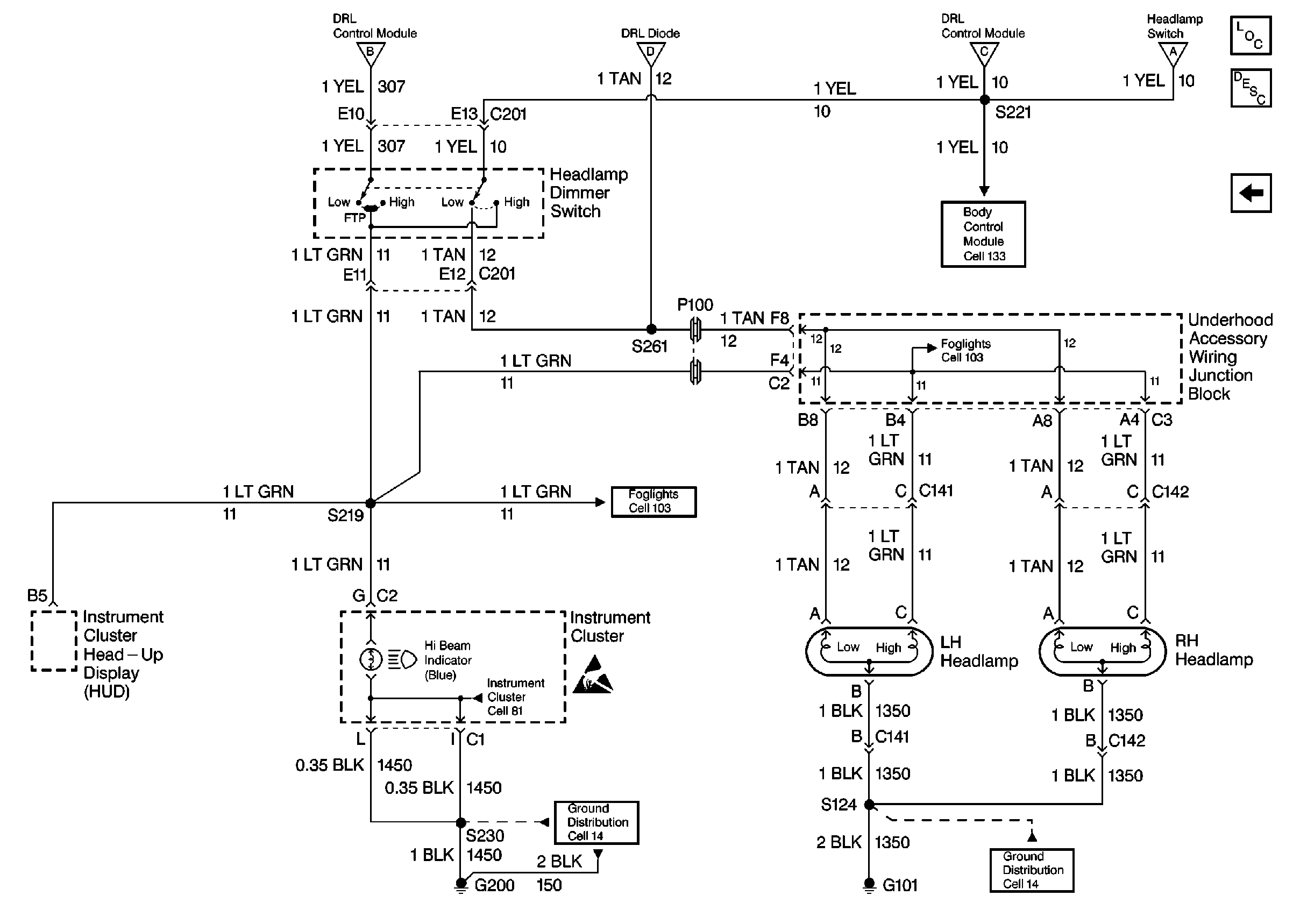
Figure
1:
Cell 102: Daytime Running Lamps Control Module
Headlights/Daytime Running Lights (DRL) Circuit Description
Cell 102: Headlamp Dimmer Switch, Headlamps
OBD II Symbol Description Notice
Cell 10: IGN MAIN 2 MaxiFuse 60 A
Cell 10: IGN MAIN 1 MaxiFuse 40 A
Cell 81: Instrument Cluster, Continued
Cell 10: IGN MAIN 2 MaxiFuse 60 A
Cell 10
Handling ESD Sensitive Parts Notice
Cell 14: RH/IP Ground G200 (2 of 4)
Cell 102: Headlamp Dimmer Switch, Headlamps
Cell 102: Headlamp Dimmer Switch, Headlamps
Cell 102: Headlamp Dimmer Switch, Headlamps
Cell 102: Headlamp Dimmer Switch, Headlamps
Cell 103
Cell 110: Park Turn Lamps
Cell 10
Lighting Systems Components
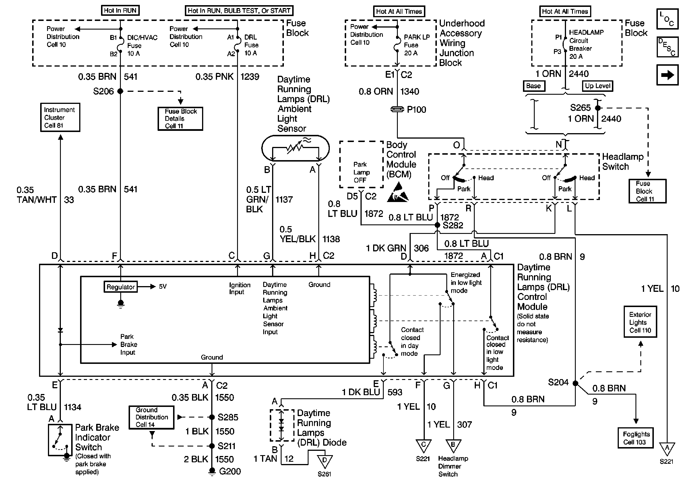
Figure
2:
Cell 102: Headlamp Dimmer Switch, Headlamps
Headlights/Daytime Running Lights (DRL) Circuit Description
Cell 102: Daytime Running Lamps Control Module
Cell 102: Daytime Running Lamps Control Module
Cell 102: Daytime Running Lamps Control Module
Cell 102: Daytime Running Lamps Control Module
Cell 102: Daytime Running Lamps Control Module
Cell 133
Cell 103
Cell 103
Cell 81: Instrument Cluster, Continued
Handling ESD Sensitive Parts Notice
Cell 14: RH/IP Ground G200 (2 of 4)
Cell 14: Forward Lamp Grounds G101