GM Service Manual Online
For 1990-2009 cars only
Makes
🢒
Pontiac
🢒
2000
🢒
Grand Prix
🢒
HVAC
🢒
HVAC Systems - Manual
🢒 HVAC Air Delivery/Temperature Control Schematics
Figure
1:
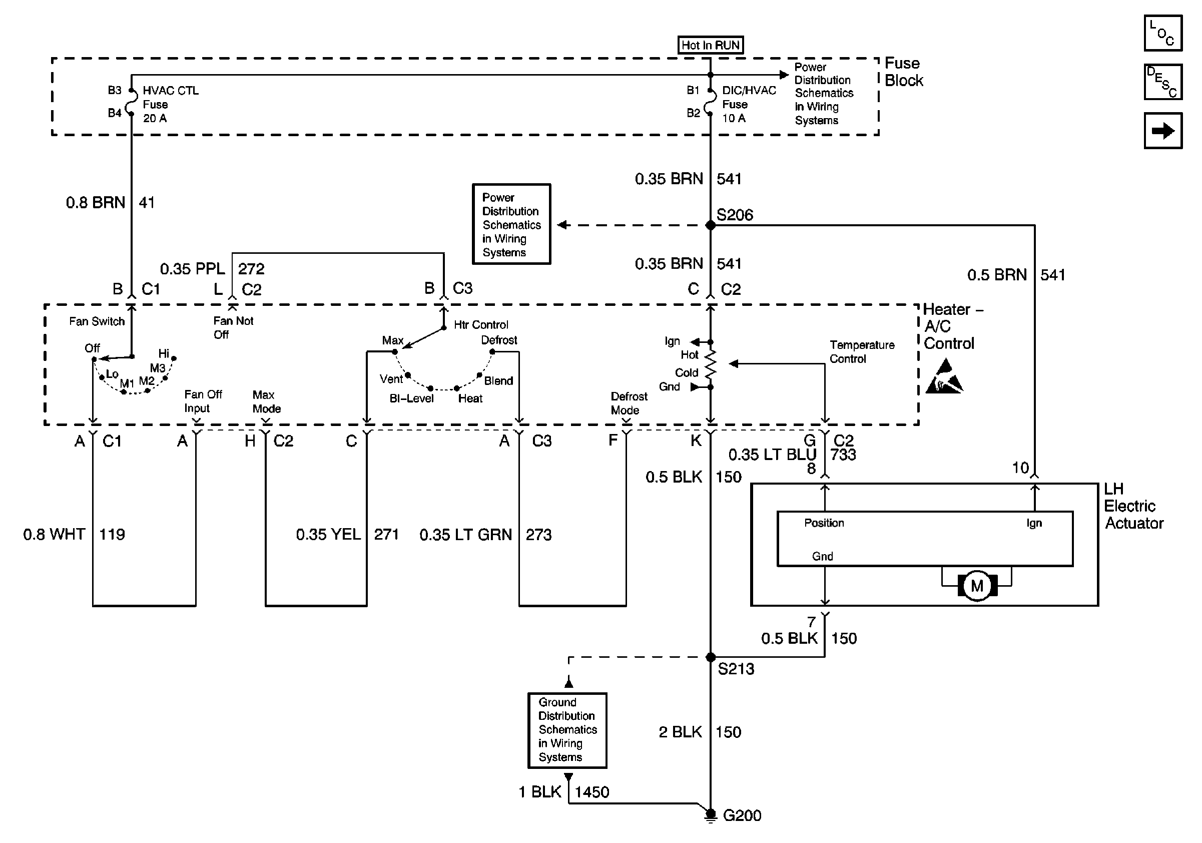
Electrical Controls
HVAC Components
HVAC Air Delivery/Temperature Control Circuit Description
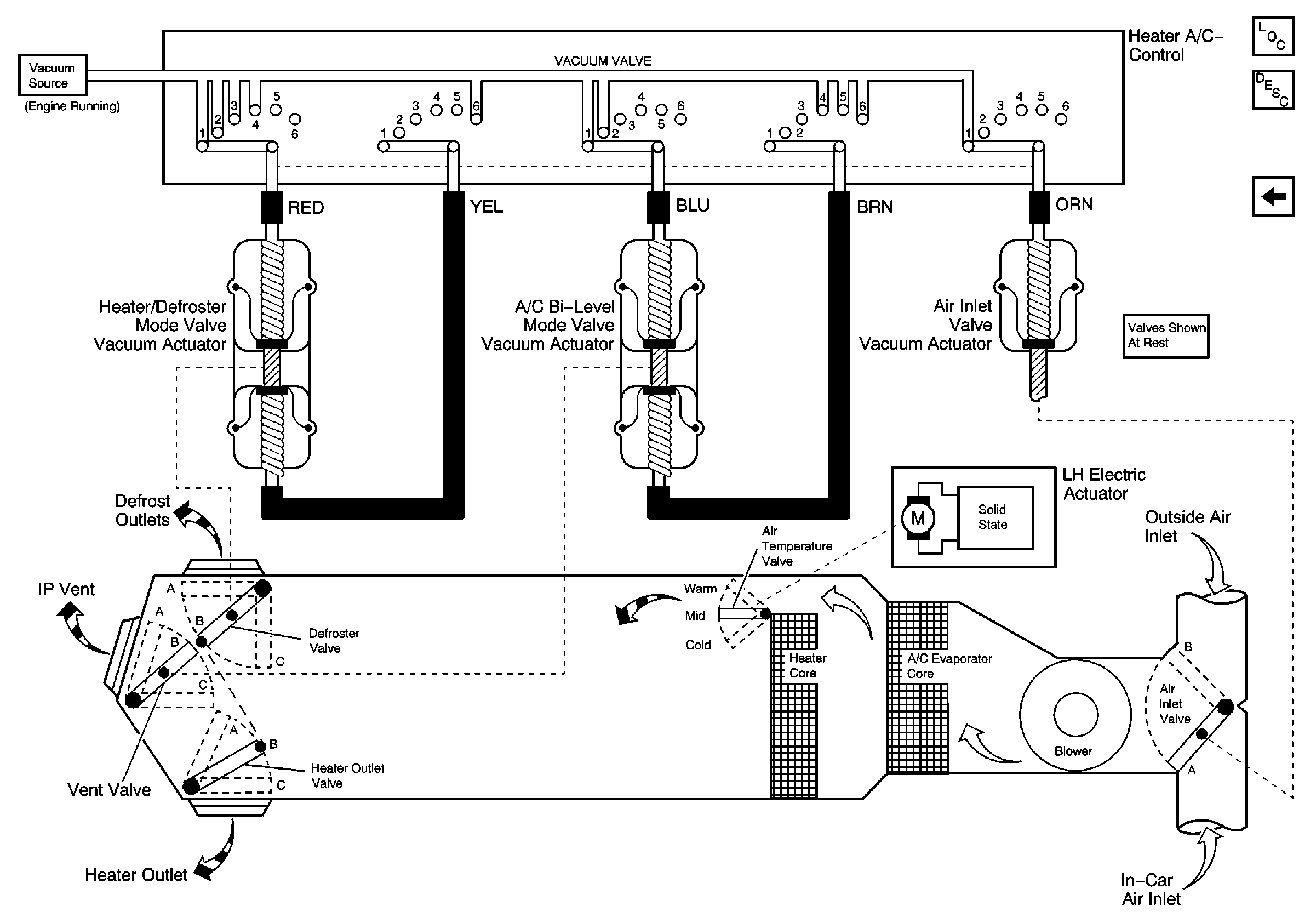
Vacuum Controls
Compressor Controls C60
DIC/HVAC and HVAC CTRL Fuse
DIC/HVAC and HVAC CTRL Fuse
G200 (1 of 4)
Figure
2:
Vacuum Controls
HVAC Components
HVAC Air Delivery/Temperature Control Circuit Description
Electrical Controls