GM Service Manual Online
For 1990-2009 cars only
Makes
🢒
Pontiac
🢒
2000
🢒
Grand Prix
🢒
Body and Accessories
🢒
Wiring Systems
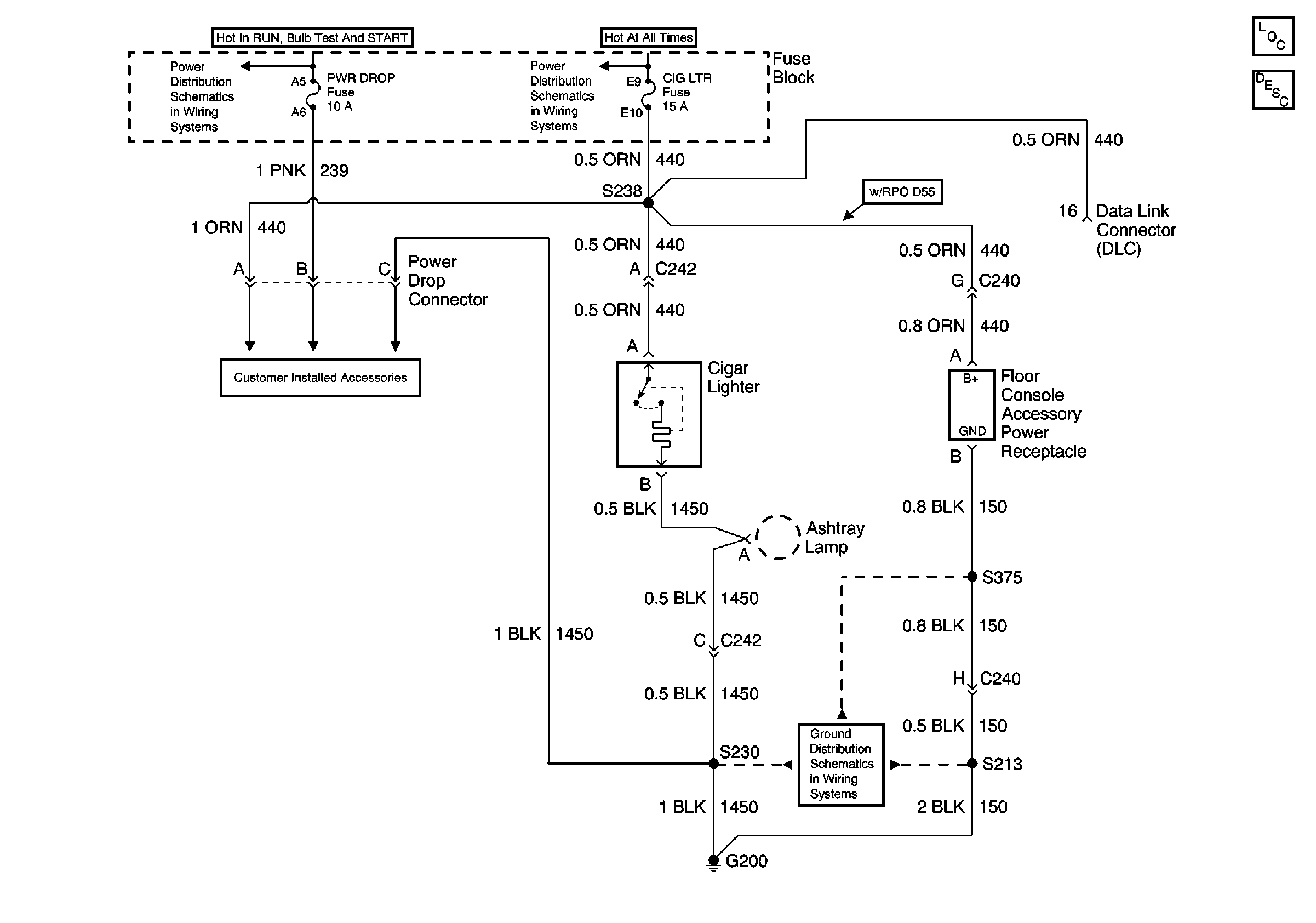
🢒 Cigar Lighter/Power Outlet Schematics
Battery, Starter, Generator, EBCM, Underhood Accessory Wiring JuncTion Block and Fuse Block
Ignition Switch, Park/Neutral Position Switch, Underhood AccessoryWiring Junction Block and Fuse Block
Battery, Starter, Generator, EBCM, Underhood Accessory Wiring JuncTion Block and Fuse Block
G302 (1 of 2)
G200 (2 of 4)
G200 (1 of 4)