GM Service Manual Online
For 1990-2009 cars only
Makes
🢒
Pontiac
🢒
2000
🢒
Grand Prix
🢒 Battery, Starter, Generator, EBCM, Underhood Accessory Wiring JuncTion Block and Fuse Block
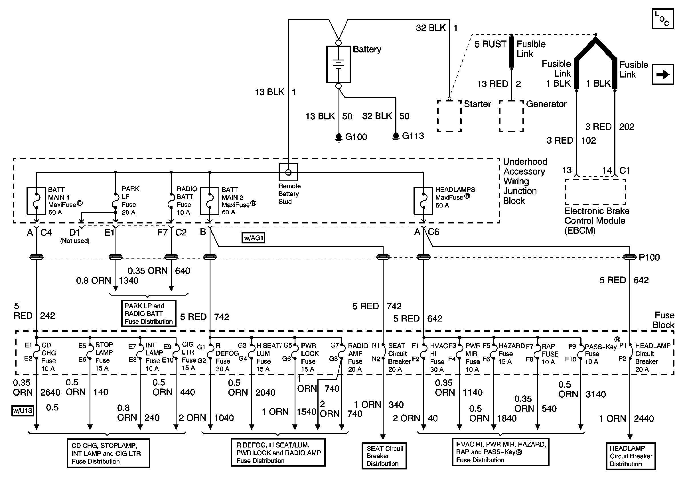
Battery, Starter, Generator, EBCM, Underhood Accessory Wiring JuncTion Block and Fuse Block
Battery, Starter, Generator, EBCM, Underhood Accessory Wiring Junction Block and Fuse Block
Underhood Accessory Wiring Junction Block, Headlamp Switch, Heater A/C Control, RCDLR, Theft Deterrent Indicator Lamp, Theft Deterrent Shock Sensor and Trip Calculator
CD CHG, STOP LAMP, INT LAMP and CGR LTR Fuse
HVAC HI, PWR MIR, HAZARD, RAP, PASSKEY, R DEFOG, H SEAT/LUM, PWR LOCK and RADIO AMP Fuse
SEAT, HEADLAMP and PWR WDO Circuit Breaker
HVAC HI, PWR MIR, HAZARD, RAP, PASSKEY, R DEFOG, H SEAT/LUM, PWR LOCK and RADIO AMP Fuse
Power and Grounding Components
Ignition Switch, RAP Relay, Underhood Accessory Wiring Junction Block and Fuse Block