GM Service Manual Online
For 1990-2009 cars only
Makes
🢒
Pontiac
🢒
2000
🢒
Grand Prix
🢒
Body and Accessories
🢒
Stationary Windows
🢒 Defogger Schematics
Stationary Windows Components
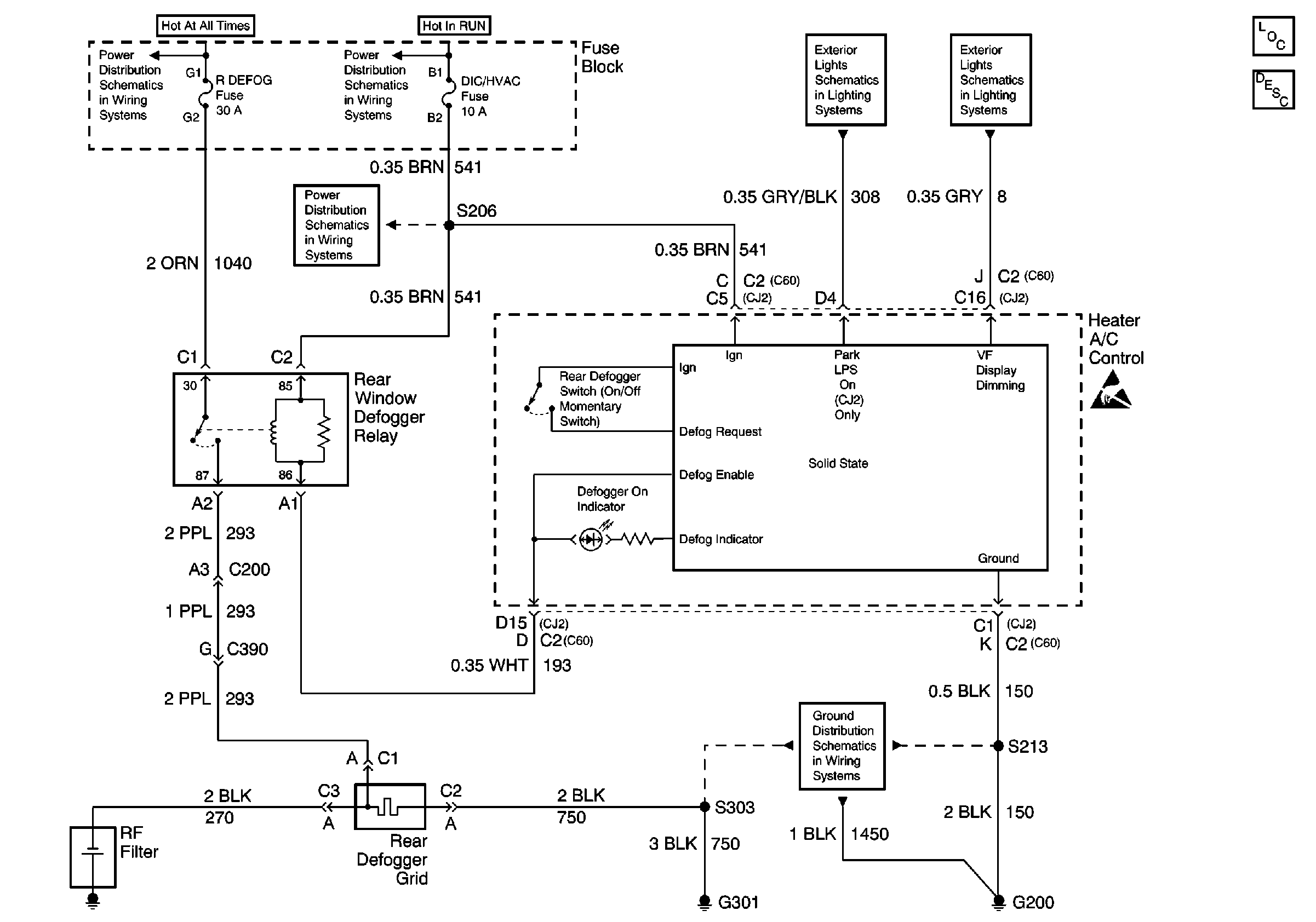
Rear Window Defogger Circuit Description
DIC/HVAC and HVAC CTRL Fuse
HVAC HI, PWR MIR, HAZARD, RAP, PASSKEY, R DEFOG, H SEAT/LUM, PWR LOCK and RADIO AMP Fuse
G301
G200 (1 of 4)