GM Service Manual Online
For 1990-2009 cars only
Figure 1:

2-Door


Object Number: 591194  Size: FS
BCM, Headlamp Switch and Door Ajar Switches
G301
G302 (2 of 2)
BCM, Headlamp Switch and Door Ajar Switches
G302 (2 of 2)
Power Door Systems Components
Power Windows Circuit Description
4-Door (1 of 2)
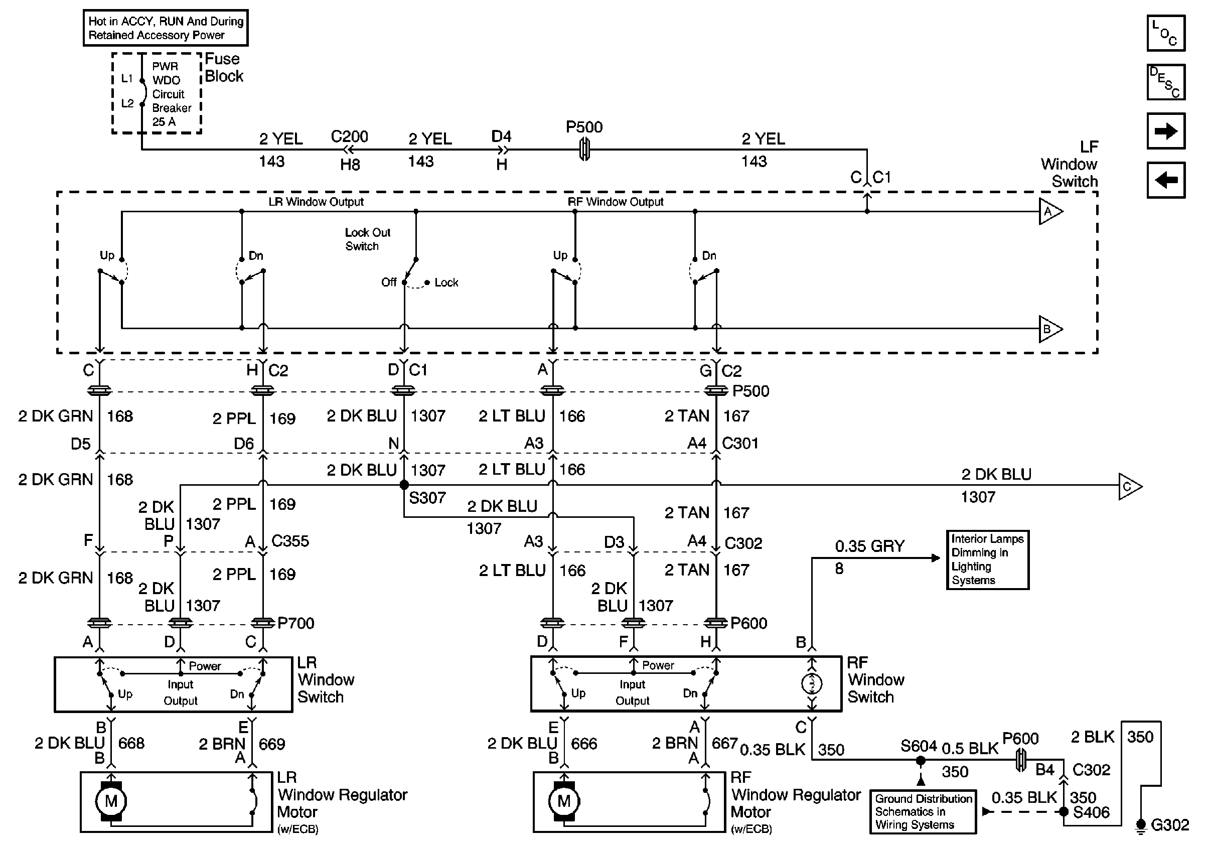
Figure 2:

4-Door (1 of 2)


Object Number: 591199  Size: FS
G302 (2 of 2)
BCM, Headlamp Switch and Door Ajar Switches
Power Door Systems Components
Power Windows Circuit Description
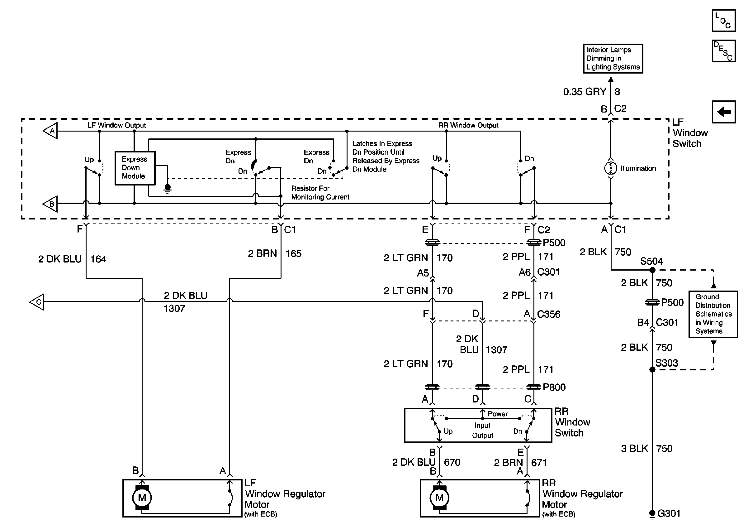
4-Door (2 of 2)
2-Door
4-Door (2 of 2)
4-Door (2 of 2)
4-Door (2 of 2)
Figure 3:

4-Door (2 of 2)


Object Number: 591201  Size: FS
Power Door Systems Components
Power Windows Circuit Description
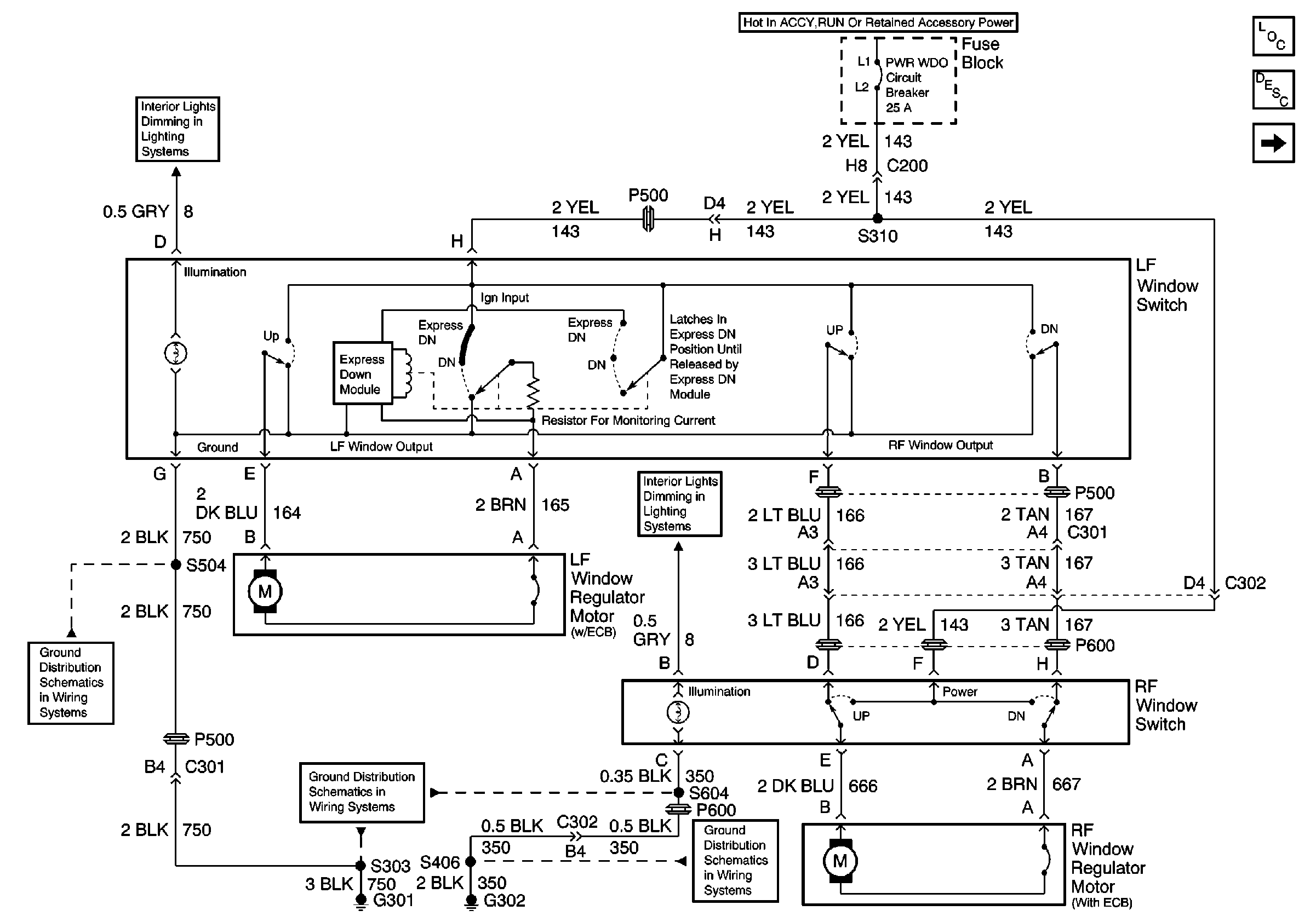
4-Door (1 of 2)
4-Door (1 of 2)
4-Door (1 of 2)
4-Door (1 of 2)
BCM, Headlamp Switch and Door Ajar Switches
G301