GM Service Manual Online
For 1990-2009 cars only
Makes
🢒
Pontiac
🢒
2000
🢒
Grand Prix
🢒 Headlights and Power Distribution
Headlights and Power Distribution
Headlights and Power Distribution
Lighting Systems Components
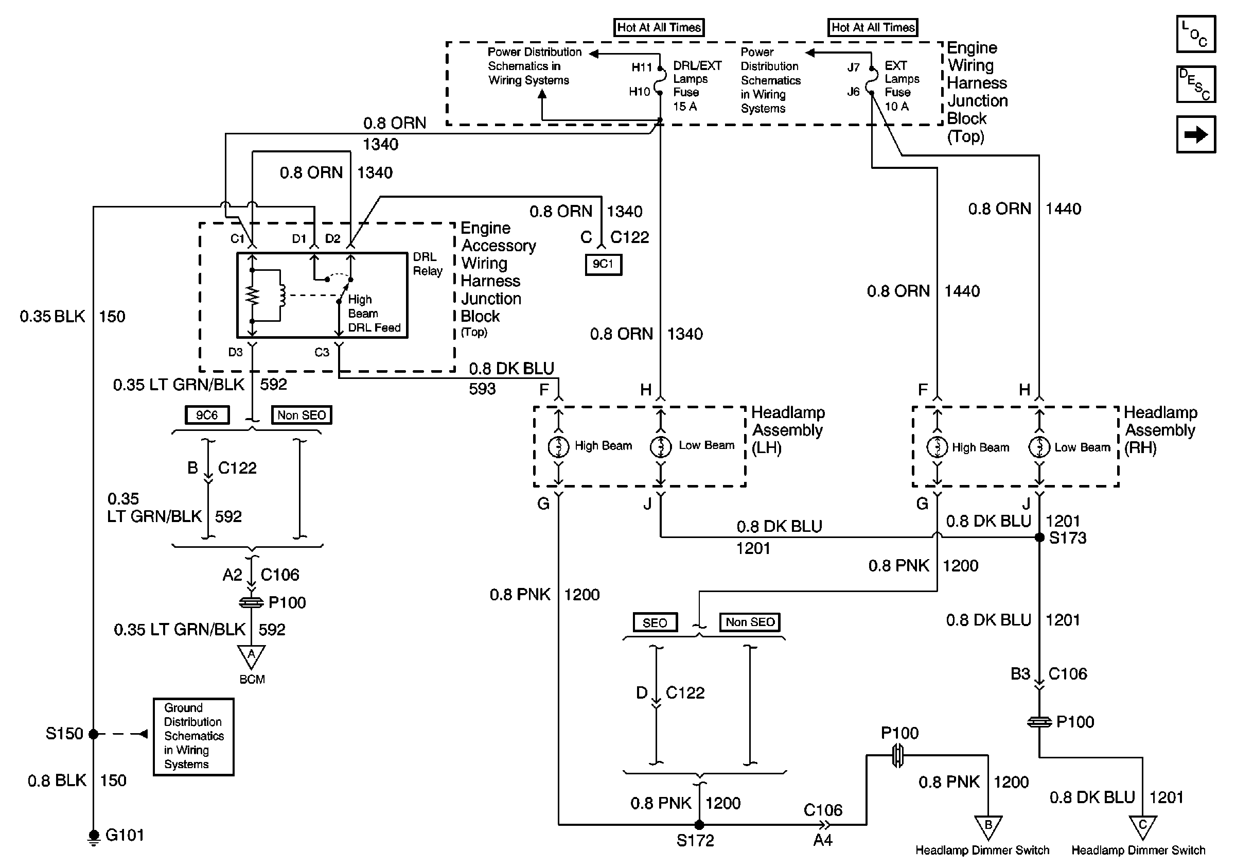
Headlamps Control
FOG RLY, F/PMP RLY, DLR/EXT LTS, EXT LTS, A/C RLY (CMPR), PCM and HORN RLY Fuses
AIR PMP RLY, FUEL INJ, TRANS SOL, A/C RLY (Coil), OXY SEN, DFI MDL, ENG DEVICES, FAN CONT #1, FAN CONT #2 & #3 Fuses, and IGN and Air Pump Relays
Headlamps Control
G101 (2 of 2)
Headlamps Control
Headlamps Control
Headlights/Daytime Running Lights (DRL) Circuit Description