GM Service Manual Online
For 1990-2009 cars only
Makes
🢒
Pontiac
🢒
2000
🢒
Grand Prix
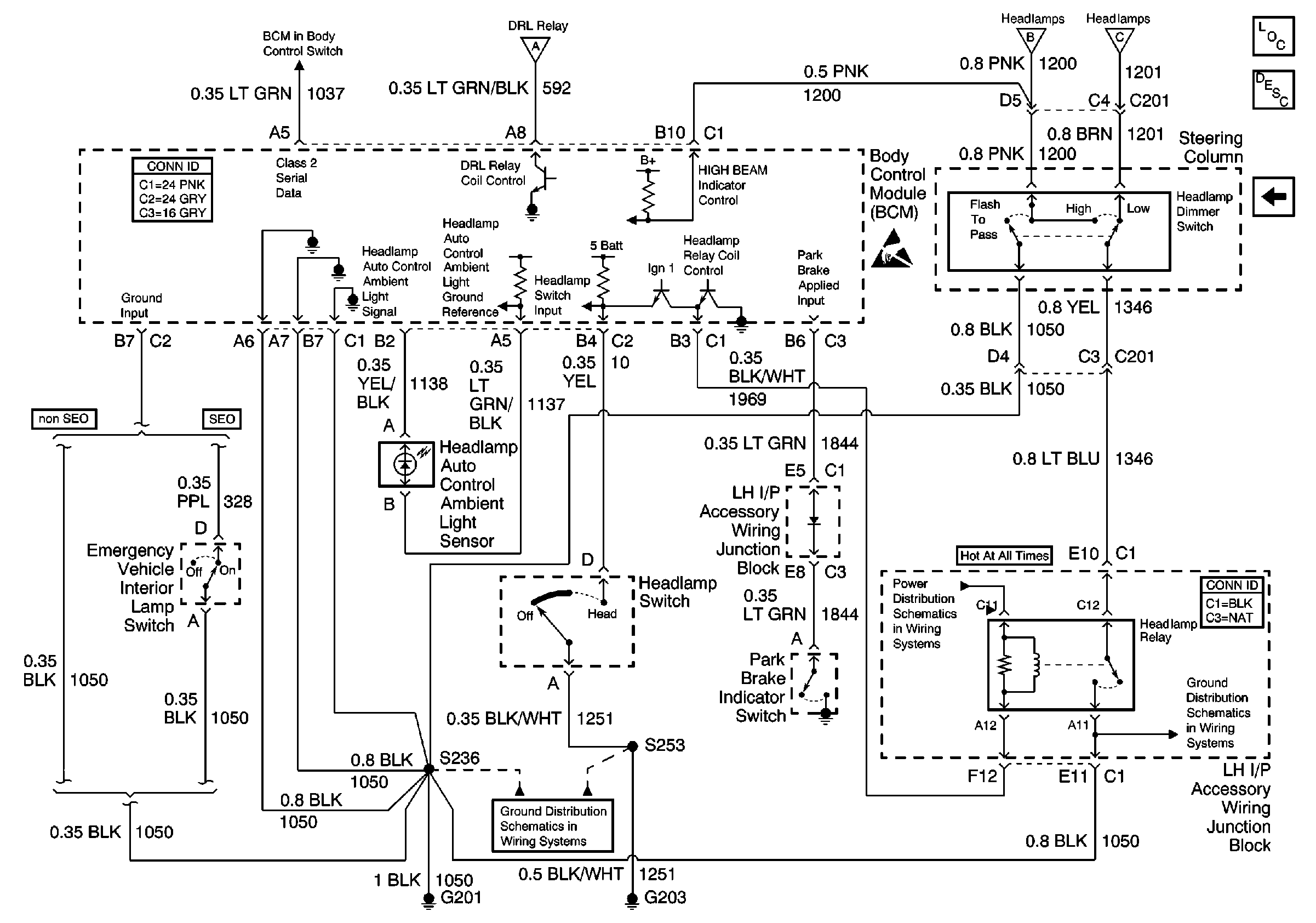
🢒 Headlamps Control
Headlamps Control
Headlamps Control
Lighting Systems Components
Headlights/Daytime Running Lights (DRL) Circuit Description
Headlights and Power Distribution
Handling ESD Sensitive Parts Notice
Power, Grounds and RAP Relay
Headlights and Power Distribution
Headlights and Power Distribution
Headlights and Power Distribution
G201 (1 of 2)
LH HTD ST/BCM, DR LK, PWR MIR and CLSTR/BCM Fuses, HEADLAMP and RETAINED ACCSRY PWR Relays, and RETAINED ACCSRY PWR Circuit Breaker