GM Service Manual Online
For 1990-2009 cars only
Makes
🢒
Pontiac
🢒
2000
🢒
Grand Prix
🢒 Cell 148
Cell 148
Cell 148
Stationary Windows Components
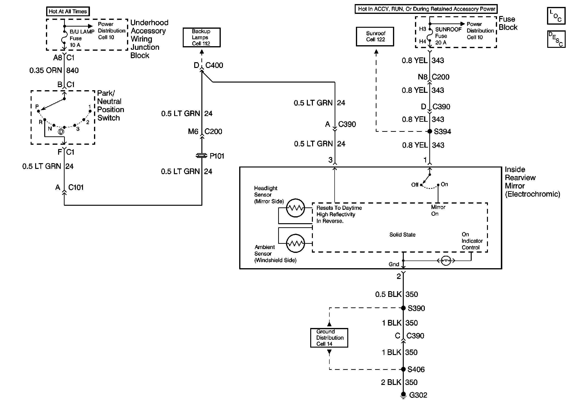
Automatic Day-Night Mirrors Circuit Description
Cell 122
Cell 112
Cell 14: Left Rear Compartment Ground G302 (1 of 2)
Cell 11: BTSI, RADIO, SUNROOF, STR WHL CTRL, STR WHL ILUM, WIPER, MALLAND MALL PGM Fuses
Cell 11: B/U LAMP, ECM SENSE, ALT SENSE, FUEL PUMP, FOG LP and HORN Fuses