GM Service Manual Online
For 1990-2009 cars only
Makes
🢒
Pontiac
🢒
2000
🢒
Grand Prix
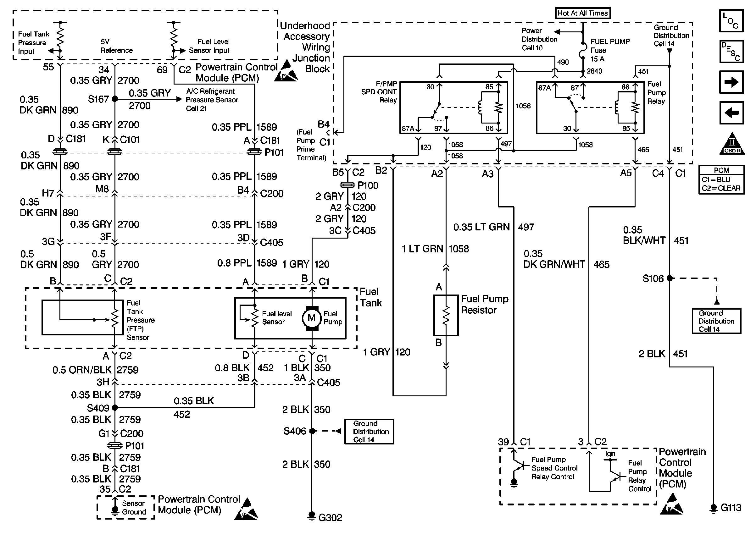
🢒 Cell 21: Fuel Controls-VIN 1
Cell 21: Fuel Controls-VIN 1
Cell 21: Fuel Controls-VIN 1
Cell 21: Engine Data Sensors-A/C Refrig Press, TP, MAP, ECT, IAT
Handling Electrostatic Discharge Sensitive Parts Notice
Cell 10: Underhood Accessory Wiring Junction Block
Cell 14: Engine Grounds G100, G111 and G113
Cell 14: Engine Grounds G100, G111 and G113
Cell 14: Left Rear Compartment Ground G302 (1 of 2)
Handling Electrostatic Discharge Sensitive Parts Notice