GM Service Manual Online
For 1990-2009 cars only
Makes
🢒
Pontiac
🢒
2000
🢒
Grand Prix
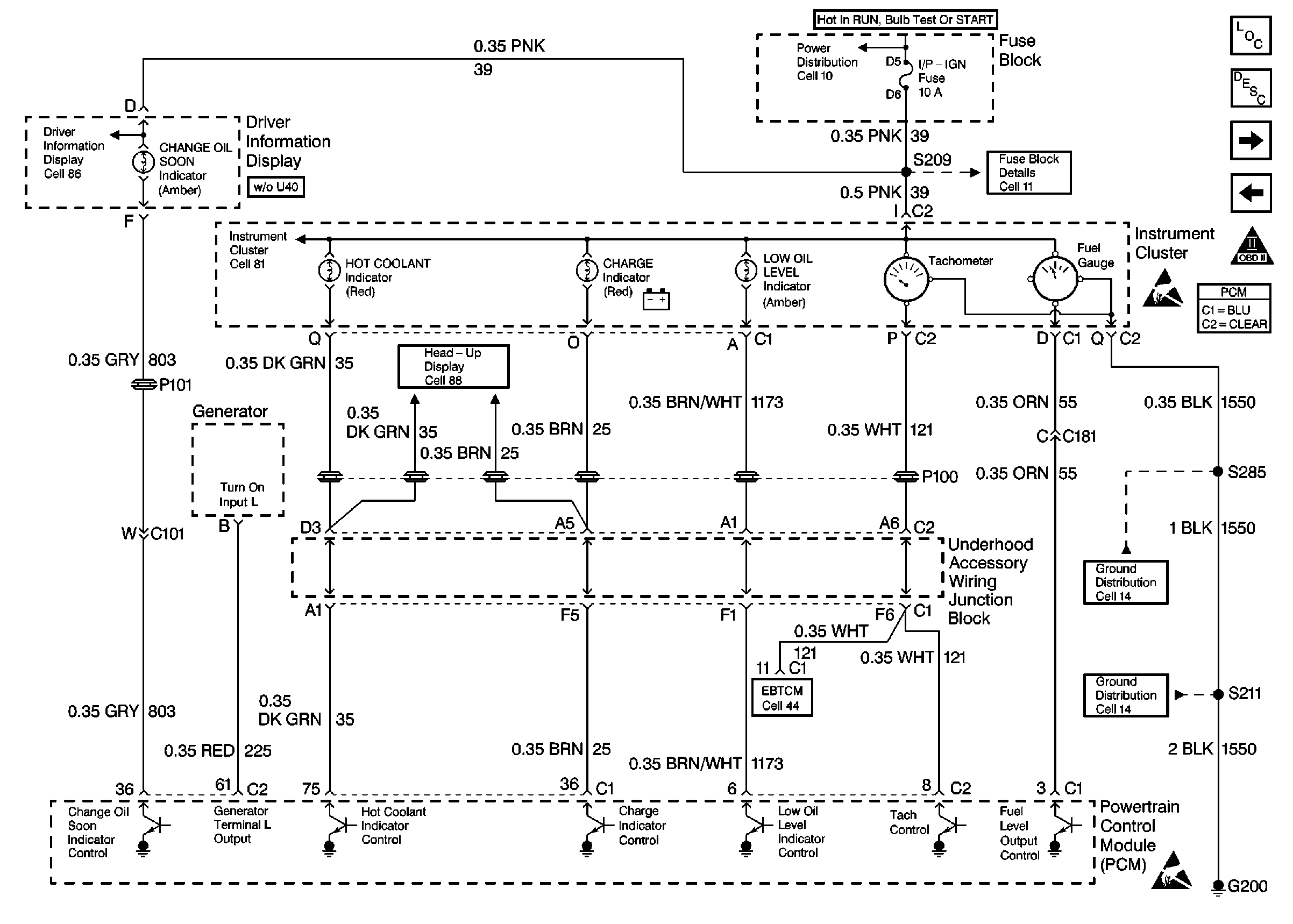
🢒 Cell 21: Engine Data Sensors-Indicator Lamps
Cell 21: Engine Data Sensors-Indicator Lamps
Cell 21: Engine Data Sensos-Indicator Lamps
Cell 86: Driver Information Display
Cell 10: IGN MAIN 1 MaxiFuse 40 A
Cell 11: DRL, CANISTER VENT, PWR DROP, TURN, SIR, IP-IGN, CRUISE and ECM Fuses
Cell 21 Automatic Transaxle Range Switch, and IAC
Cell 21: Engine Data Sensors-MAF, EVAP Vent, EVAP Purge, EGR
OBDII Symbol Description Notice
Handling Electrostatic Discharge Sensitive Parts Notice
Handling Electrostatic Discharge Sensitive Parts Notice
Cell 14: RH/IP Ground G200 (4 of 4)
Cell 83: Head-Up Display (HUD), Continued