GM Service Manual Online
For 1990-2009 cars only
Makes
🢒
Pontiac
🢒
2000
🢒
Grand Prix
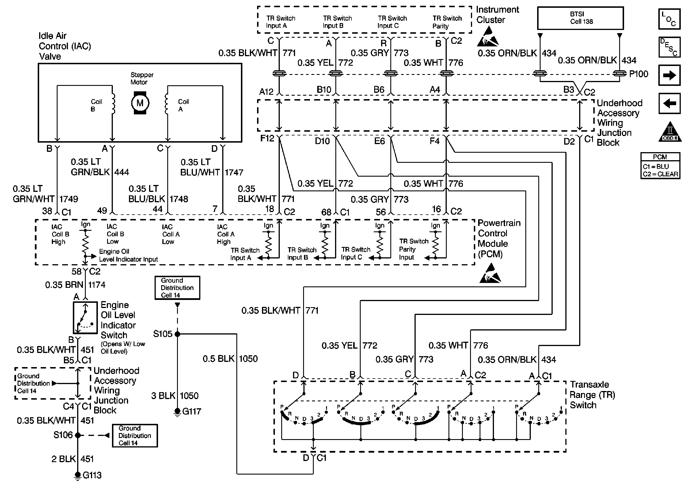
🢒 Cell 21 Automatic Transaxle Range Switch, and IAC
Cell 21 Automatic Transaxle Range Switch, and IAC
Cell 21 Automatic Tranaxle Range Switch, and IAC
Cell 14: Engine Ground G117
Cell 14: Engine Grounds G100, G111 and G113
Cell 14: Engine Grounds G100, G111 and G113
Handling Electrostatic Discharge Sensitive Parts Notice
OBDII Symbol Description Notice
Handling Electrostatic Discharge Sensitive Parts Notice
Cell 21: Engine Data Sensors-Indicator Lamps
Cell 21 Automatic Transaxle PC Solenoid, and ISS Sensor