GM Service Manual Online
For 1990-2009 cars only
Makes
🢒
Pontiac
🢒
2000
🢒
Grand Prix
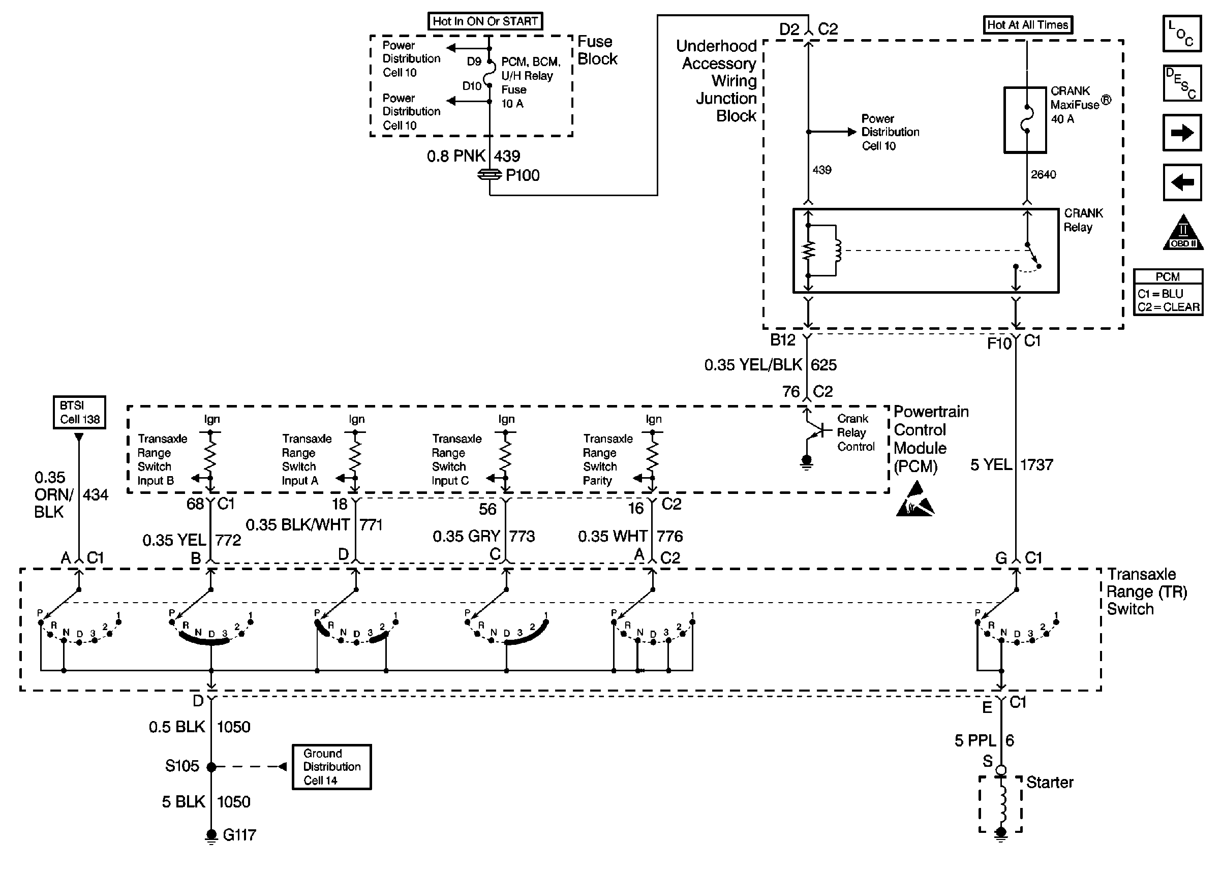
🢒 Transaxle Range Switch
Transaxle Range Switch
Transaxle Range Switch
Cell 10: IGN 2 MaxiFuse®, and Ignition Switch
Cell 10: AIR BAG, CLUSTER, DRL, PCM BCM U/H RELAY, and TURN SIGNALSCORN LPS Fuses
Cell 10: AIR BAG, CLUSTER, DRL, PCM BCM U/H RELAY, and TURN SIGNALSCORN LPS Fuses
Handling ESD Sensitive Parts Notice
Cell 14: L36 Engine Ground G117
Engine Controls Components
Automatic Transaxle Internal Controls and TCC
Indicators
OBD II Symbol Description Notice