GM Service Manual Online
For 1990-2009 cars only
Makes
🢒
Pontiac
🢒
2000
🢒
Grand Prix
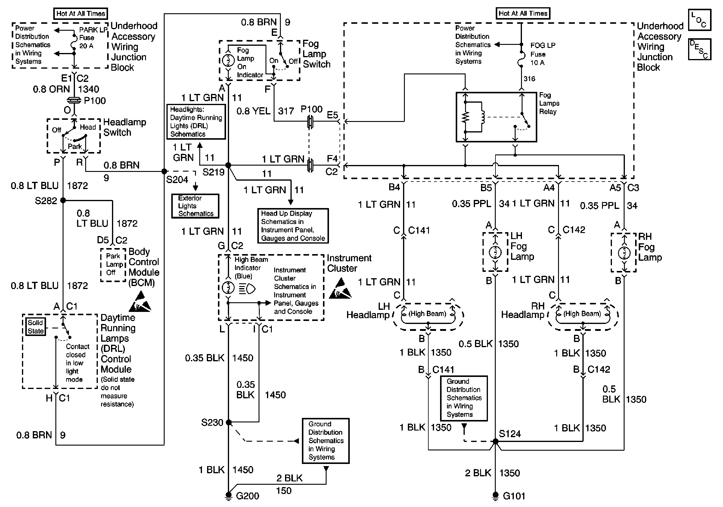
🢒 Fog Lamps, DRL Control Module, Fog Lamp Switch and Headlamp Switch
Fog Lamps, DRL Control Module, Fog Lamp Switch and Headlamp Switch
Fog Lamps, DRL Control Module, Fog Lamp Switch and Headlamp Switch
Underhood Accessory Wiring Junction Block, Headlamp Switch, Heater A/C Control, RCDLR, Theft Deterrent Indicator Lamp, Theft Deterrent Shock Sensor and Trip Calculator
Underhood Accessory Wiring Junction Block
Lighting Systems Components
Fog Lights Circuit Description
G101
G200 (1 of 4)
Handling ESD Sensitive Parts Notice
Instrument Cluster: Analog Schematics
Head Up Display Schematics
Handling ESD Sensitive Parts Notice
Hazard Lamp/Turn Signal Lamp Flasher, Turn Signal Switch CHMSL And Stop/ Turn Lamps
Fused Distribution, DRL Control Module, Headlamp Switch and BCM