GM Service Manual Online
For 1990-2009 cars only
Makes
🢒
Pontiac
🢒
2000
🢒
Grand Prix
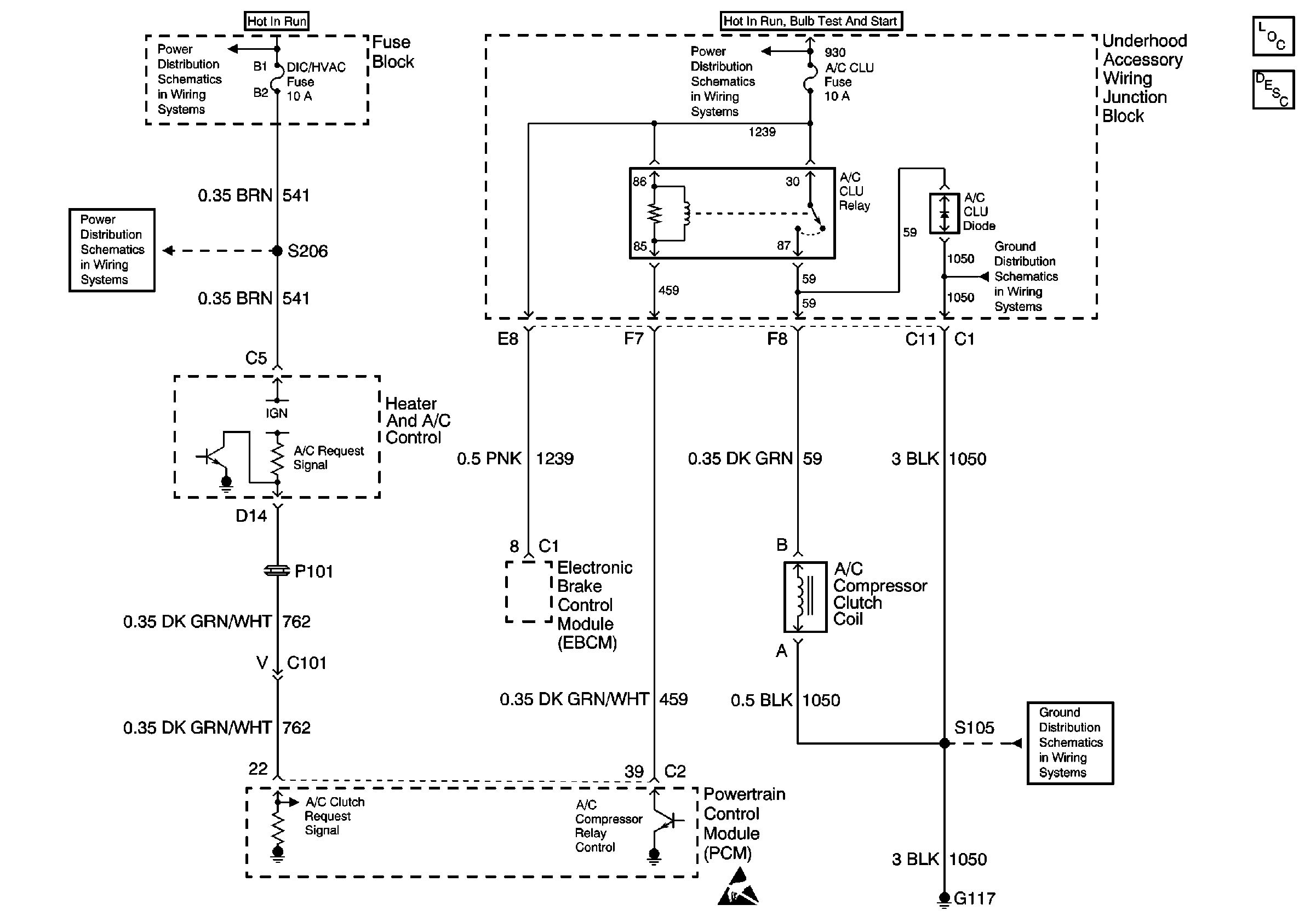
🢒 Compressor Controls CJ2
Compressor Controls CJ2
HVAC Components
HVAC Compressor Controls Circuit Description
Sensors
Blower Controls CJ2
DIC/HVAC and HVAC CTRL Fuse
Underhood Accessory Wiring Junction Block
DIC/HVAC and HVAC CTRL Fuse
G117
G117