GM Service Manual Online
For 1990-2009 cars only
Makes
🢒
Pontiac
🢒
2000
🢒
Grand Prix
🢒 Sensors
Sensors
Sensors
HVAC Components
HVAC Air Delivery/Temperature Control Circuit Description
Temperature Controls
Compressor Controls CJ2
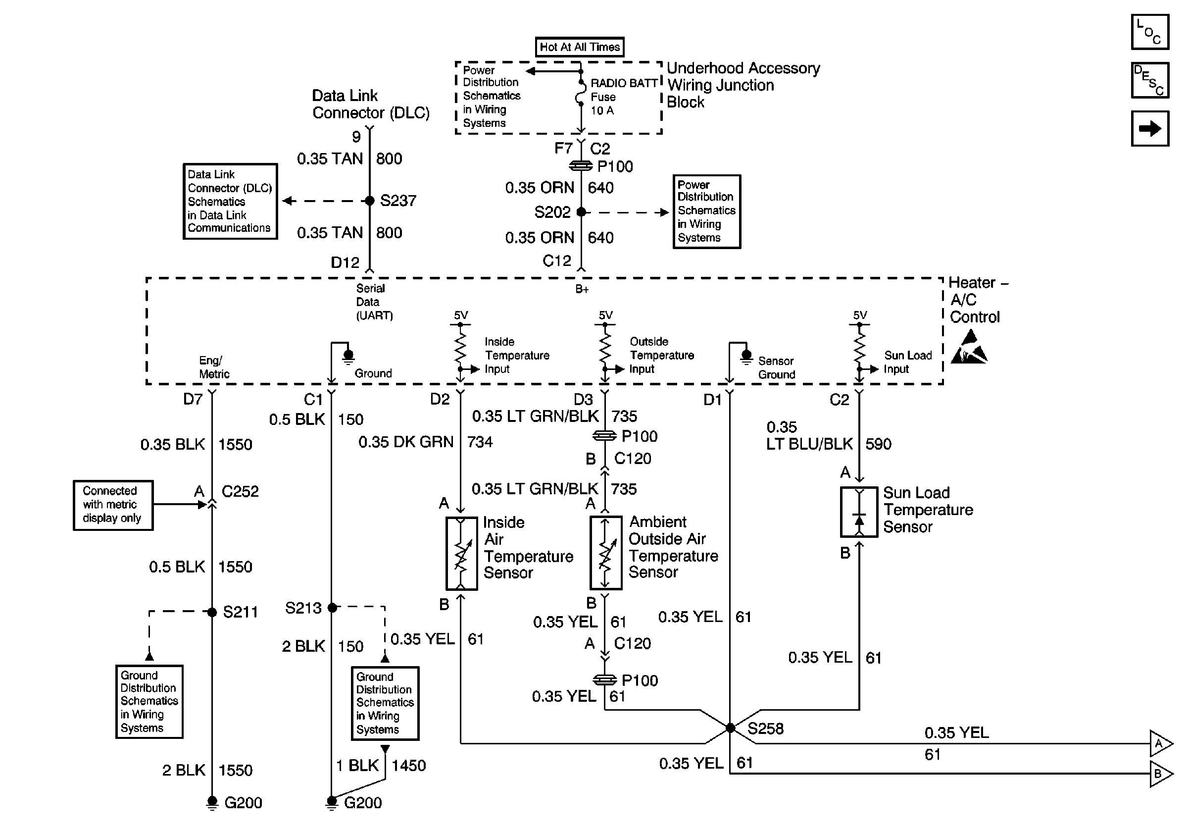
Underhood Accessory Wiring Junction Block, Headlamp Switch, Heater A/C Control, RCDLR, Theft Deterrent Indicator Lamp, Theft Deterrent Shock Sensor and Trip Calculator
DIC/HVAC and HVAC CTRL Fuse
G200 (1 of 4)
G200 (1 of 4)