GM Service Manual Online
For 1990-2009 cars only
Makes
🢒
Pontiac
🢒
2000
🢒
Grand Prix
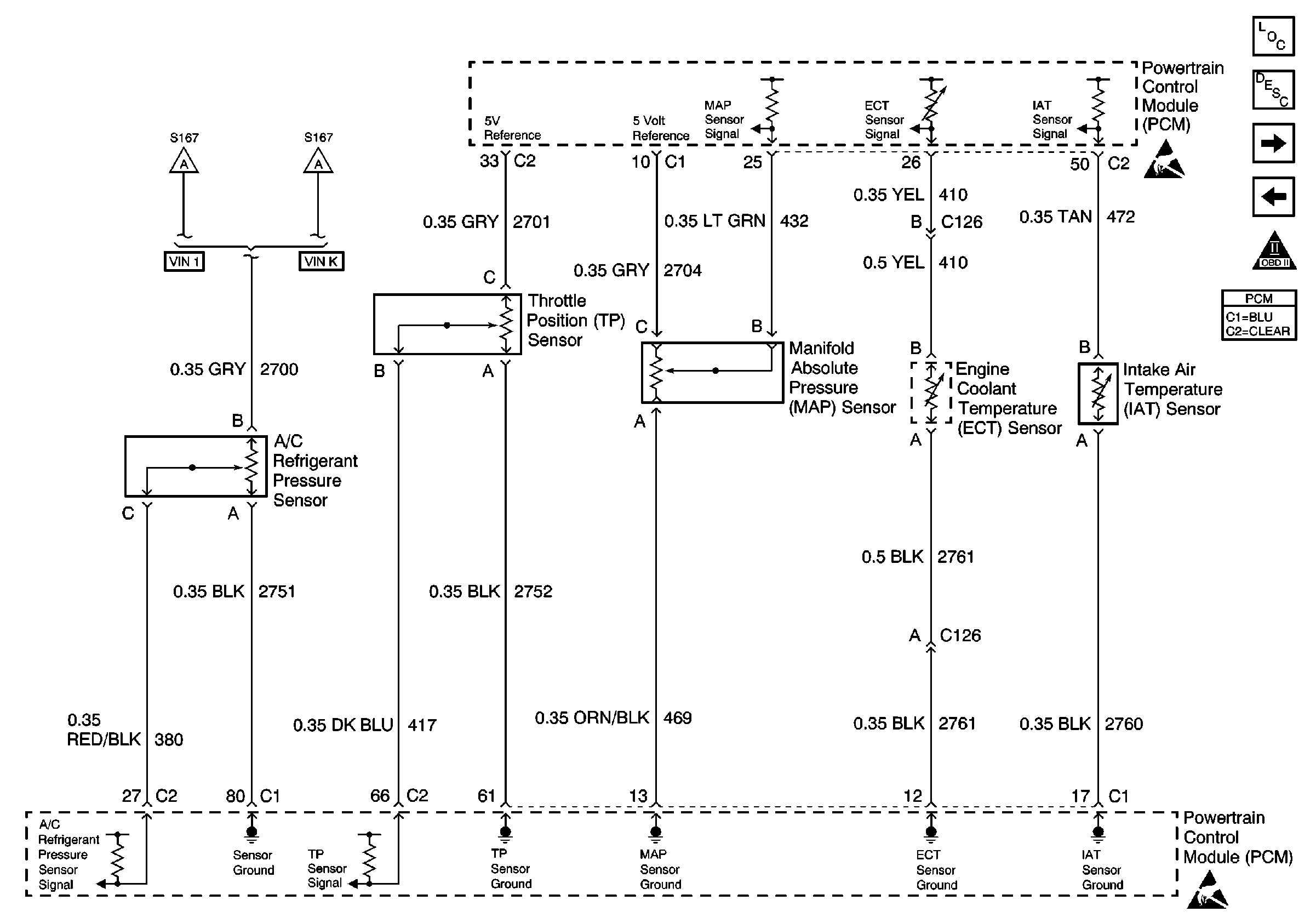
🢒 A/C Refrigerant Pressure Sensor, TP, MAP, ECT and IAT Sensor
A/C Refrigerant Pressure Sensor, TP, MAP, ECT and IAT Sensor
A/C Refrigerant Pressure Sensor, TP, MAP, ECT and IAT Sensor
Fuel Tank and Fuel Pump Resistor
Fuel Tank
Handling ESD Sensitive Parts Notice
Handling ESD Sensitive Parts Notice
Engine Controls Components
Powertrain Control Module Description
HO2S #1 and HO2S #2
Fuel Injectors
OBD II Symbol Description Notice