GM Service Manual Online
For 1990-2009 cars only
Makes
🢒
Pontiac
🢒
2000
🢒
Grand Prix
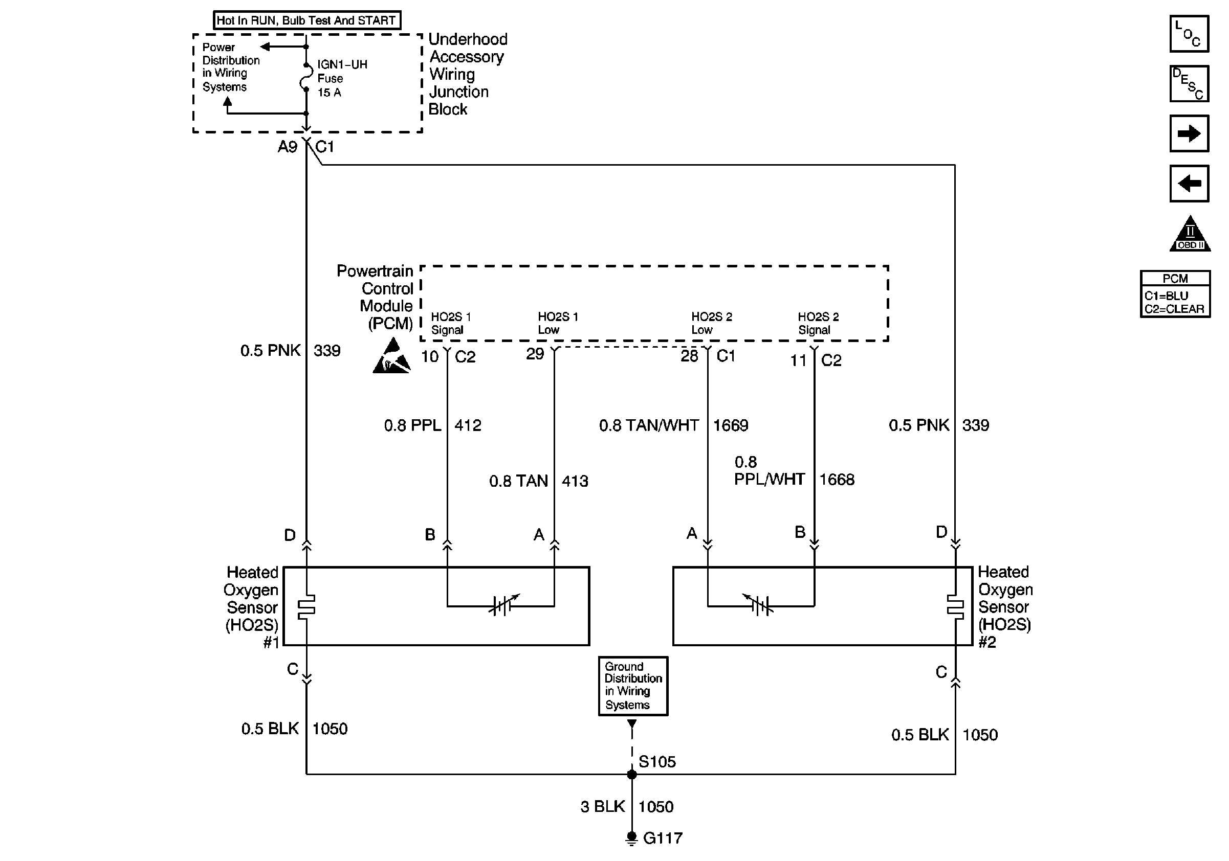
🢒 HO2S #1 and HO2S #2
HO2S #1 and HO2S #2
HO2S #1 and HO2S #2
Underhood Accessory Wiring Junction Block, Secondary Air Injection PUmp Relay, Secondary Air Injection Valve Solenoid, Supercharger Bypass Valve, Heated Oxygen Sensors, MAF and EVAP
Handling ESD Sensitive Parts Notice
G117
Engine Controls Components
Powertrain Control Module Description
AIR Motor, AIR Valve, AIR Relay, Theft Deterrent Module and Supercharger Bypass Valve
A/C Refrigerant Pressure Sensor, TP, MAP, ECT and IAT Sensor
OBD II Symbol Description Notice