GM Service Manual Online
For 1990-2009 cars only
Makes
🢒
Pontiac
🢒
2000
🢒
Grand Prix
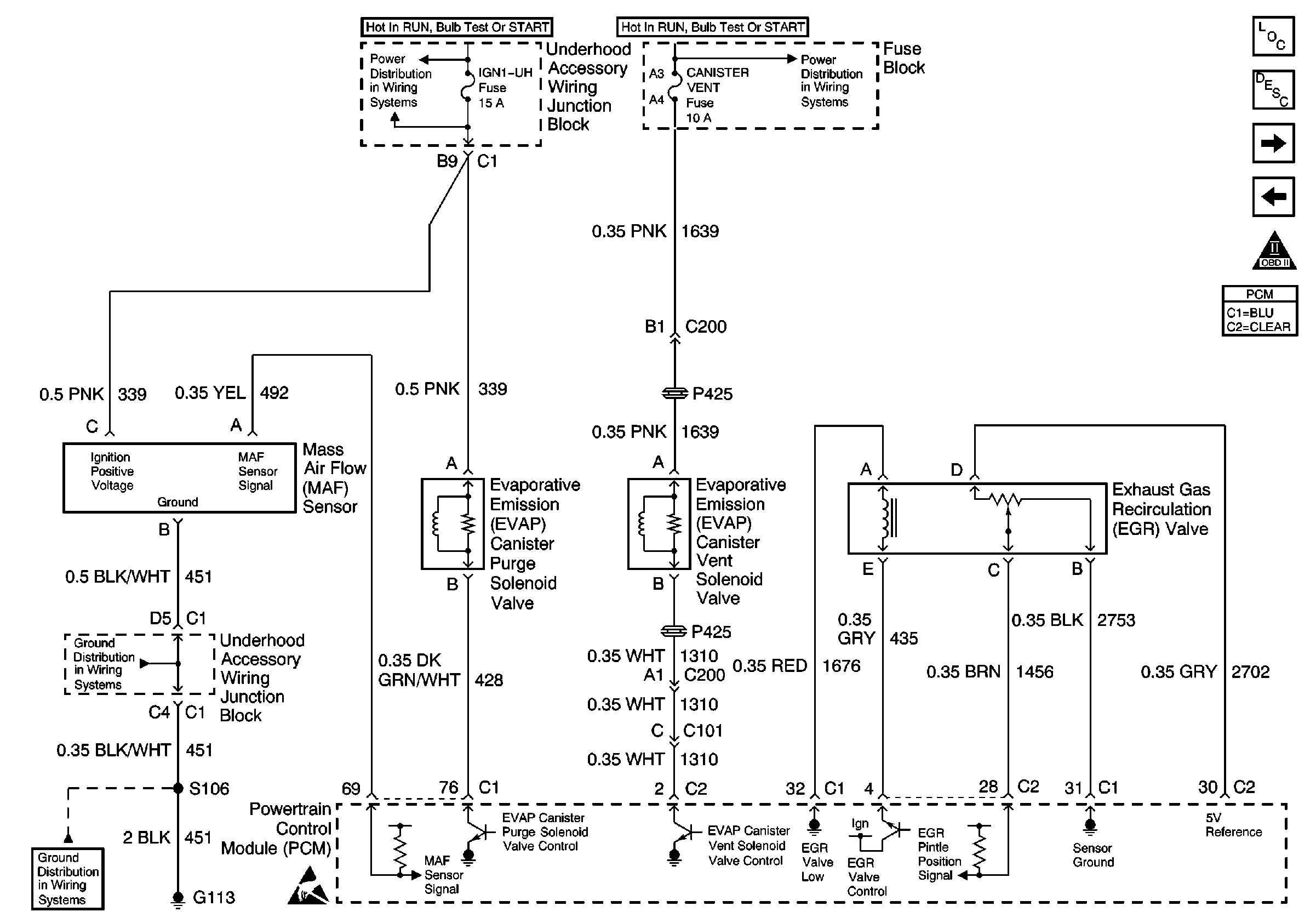
🢒 MAF, EVAP Purge, EVAP Canister, EGR Valve
MAF, EVAP Purge, EVAP Canister, EGR Valve
MAF, EVAP Purge, EVAP Canister, EGR Valve
Underhood Accessory Wiring Junction Block, Secondary Air Injection PUmp Relay, Secondary Air Injection Valve Solenoid, Supercharger Bypass Valve, Heated Oxygen Sensors, MAF and EVAP
G100, G111 and G113
G100, G111 and G113
Handling ESD Sensitive Parts Notice
DRL, Canister, PWR DROP, TURN, SIR, IP-IGN, CRUISE, and ECM Fuse
Engine Controls Components
Powertrain Control Module Description
I/P and Driver Information Display
HUD, Trip Calculator, I/P, BCM, CCM and VSS
OBD II Symbol Description Notice