GM Service Manual Online
For 1990-2009 cars only
Makes
🢒
Pontiac
🢒
2000
🢒
Grand Prix
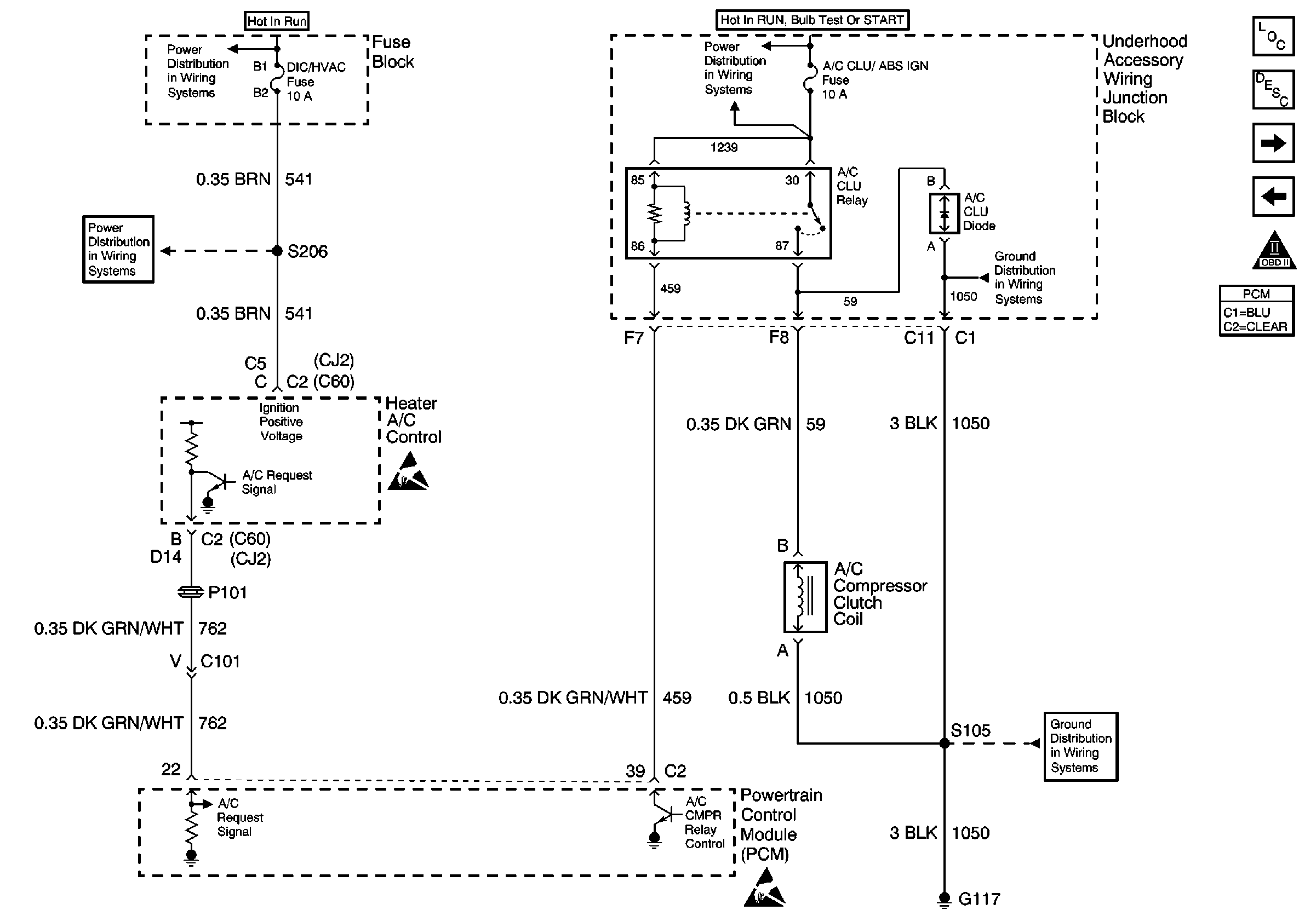
🢒 Heater A/C Control and A/C Compressor Clutch Coil
Heater A/C Control and A/C Compressor Clutch Coil
Heater A/C Control and A/C Compressor Clutch Coil
DIC/HVAC and HVAC CTRL Fuse
DIC/HVAC and HVAC CTRL Fuse
Handling ESD Sensitive Parts Notice
Underhood Accessory Wiring Junction Block, ICM, Automatic Transaxle, Stop Lamp Switch and EBCM
Handling ESD Sensitive Parts Notice
G117
G117
Engine Controls Components
Powertrain Control Module Description
Coolant Fan Motor #1 and Coolant Fan Motor #2
Automatic Transaxle, EBCM, Performance Shift Switch and Stop Lamp Switch
OBD II Symbol Description Notice