GM Service Manual Online
For 1990-2009 cars only
Makes
🢒
Pontiac
🢒
2000
🢒
Grand Prix
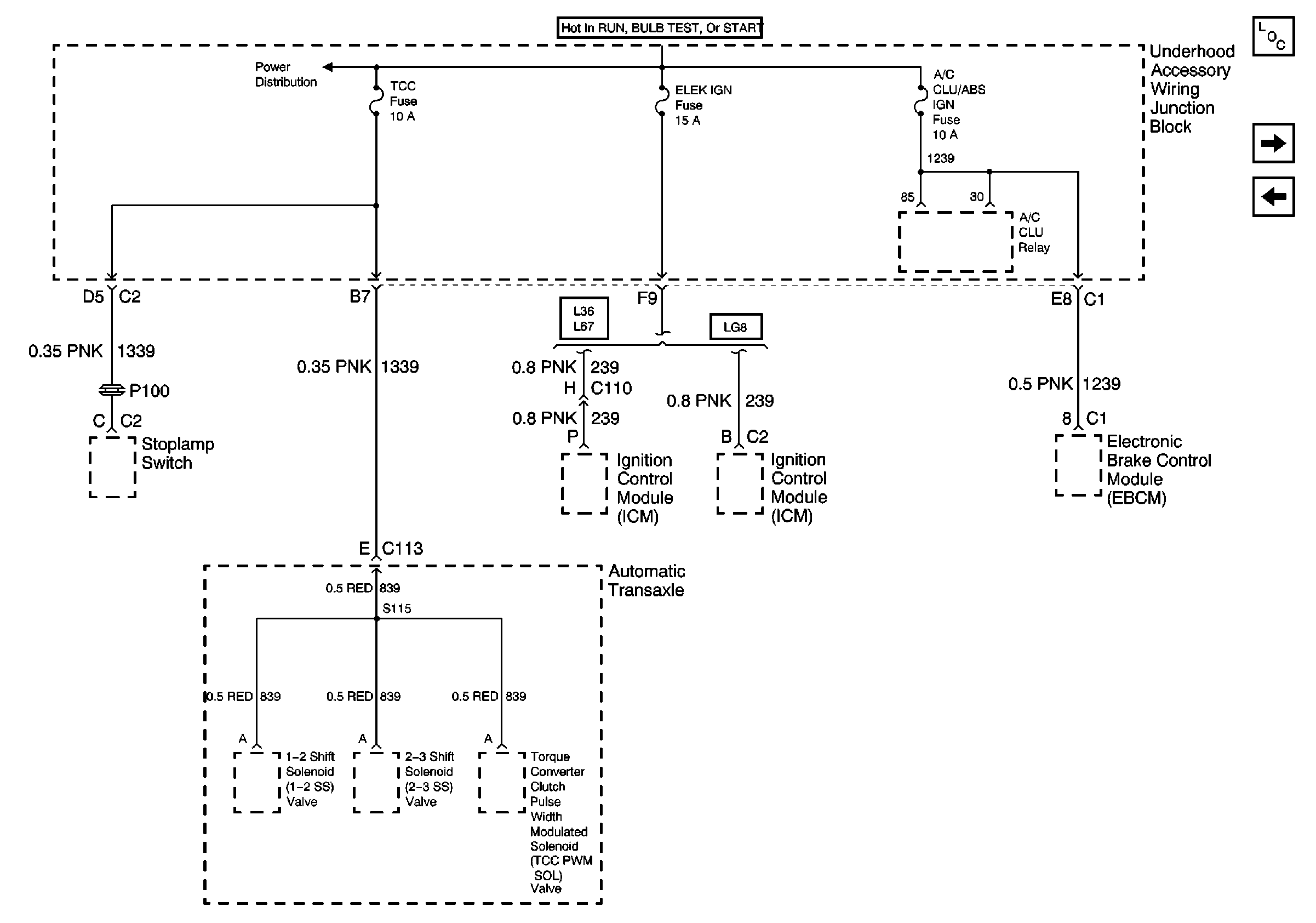
🢒 Underhood Accessory Wiring Junction Block, ICM, Automatic Transaxle, Stop Lamp Switch and EBCM
Underhood Accessory Wiring Junction Block, ICM, Automatic Transaxle, Stop Lamp Switch and EBCM
Underhood Accessory Wiring Junction Block, ICM, Automatic Transaxle, Stop Lamp Switch and EBCM
Power and Grounding Components
Underhood Accessory Wiring Junction Block, Secondary Air Injection PUmp Relay, Secondary Air Injection Valve Solenoid, Supercharger Bypass Valve, Heated Oxygen Sensors, MAF and EVAP
Fuel Injectors (3.8 L)