GM Service Manual Online
For 1990-2009 cars only
Makes
🢒
Pontiac
🢒
2000
🢒
Grand Prix
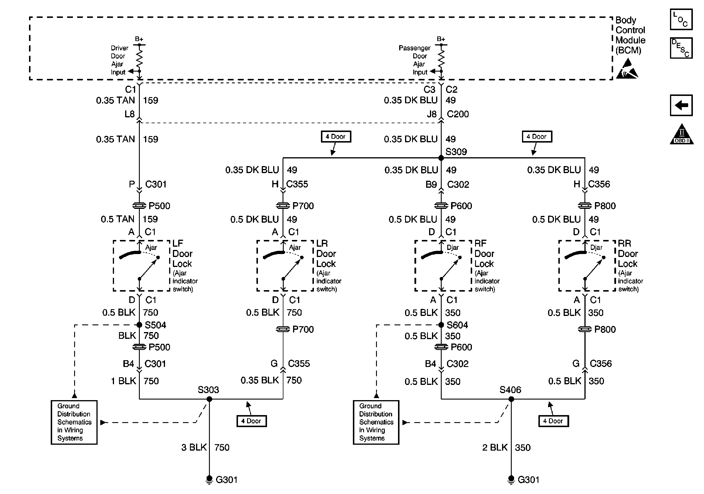
🢒 Door Ajar Indicator Switches
Door Ajar Indicator Switches
Door Ajar Indicator Switches
G301
G302 (1 of 2)
Handling ESD Sensitive Parts Notice
Body Control Module Components
Body Control System Circuit Description
Inputs and Outputs