GM Service Manual Online
For 1990-2009 cars only
Makes
🢒
Pontiac
🢒
2000
🢒
Grand Prix
🢒 Outputs and Ground
Outputs and Ground
Outputs and Ground
Battery, Starter, Generator, EBCM, Underhood Accessory Wiring JuncTion Block and Fuse Block
G200 (3 of 4)
Handling ESD Sensitive Parts Notice
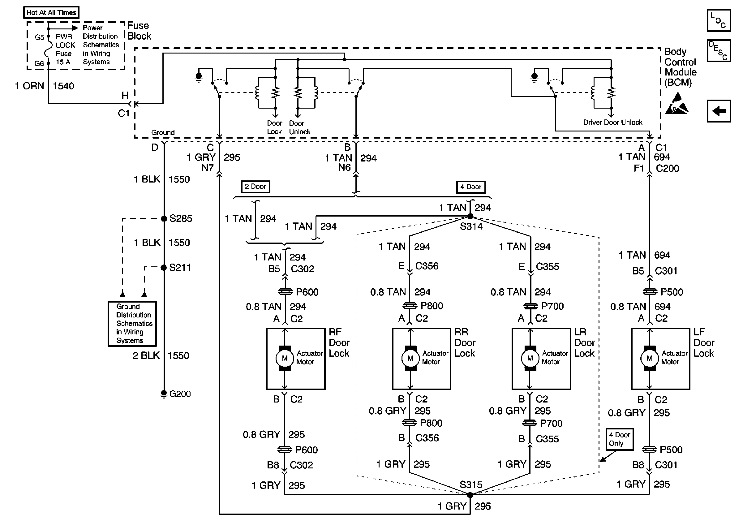
Power Door Systems Components
Power Door Locks Circuit Description
Power and Inputs