GM Service Manual Online
For 1990-2009 cars only
Makes
🢒
Pontiac
🢒
2000
🢒
Grand Prix
🢒 Starting System
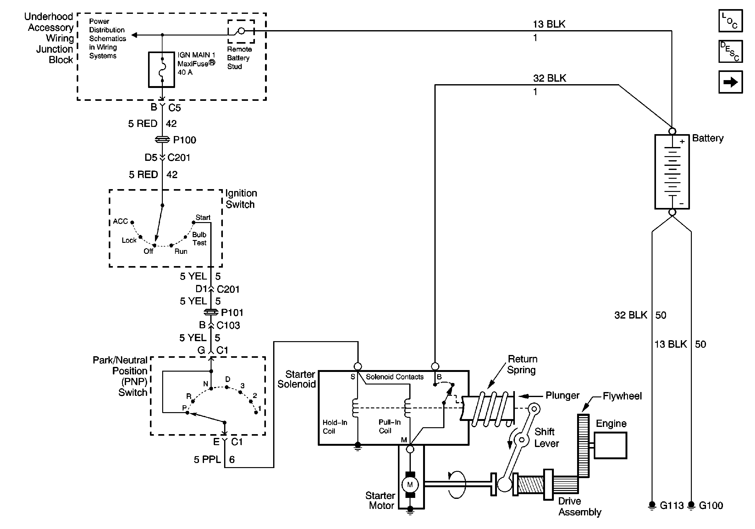
Starting System
Starting System
Battery, Starter, Generator, EBCM, Underhood Accessory Wiring JuncTion Block and Fuse Block
Engine Electrical Components
Starting System Circuit Description
Charging System