GM Service Manual Online
For 1990-2009 cars only

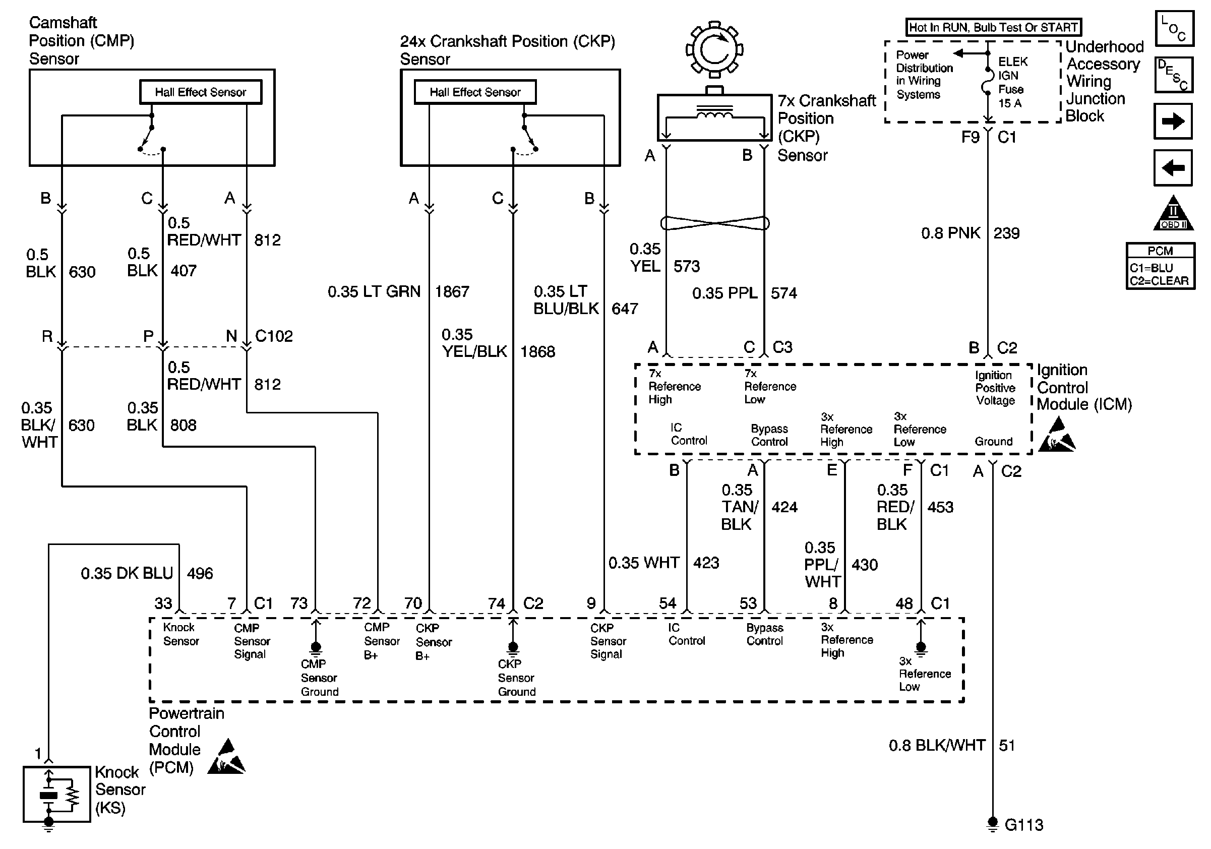
Refer to Engine Controls Schematic

CKP, CMP, ICM and Knock Sensor


Object Number: 588213  Size: FS
Handling ESD Sensitive Parts Notice
Underhood Accessory Wiring Junction Block, ICM, Automatic Transaxle, Stop Lamp Switch and EBCM
Handling ESD Sensitive Parts Notice
Engine Controls Components
Powertrain Control Module Description
Fuel Tank
Power, Ground, MIL and Data Link
OBD II Symbol Description Notice
.

Circuit Description

The PCM has the ability to detect a misfire by monitoring the 3X reference from the Ignition Control (IC) Module and camshaft position input signals from the Camshaft Position (CMP) Sensor. The PCM monitors crankshaft speed variations (reference period differences) to determine if a misfire is occurring.

If 2 percent or more of all cylinder firing events are misfires, emission levels may exceed mandated standards. The PCM determines misfire level based on the number of misfire events monitored during a 200 engine revolution test sample. The PCM continuously tracks 16 consecutive 200 revolution test samples. If 22 or more misfires are detected during any 10 of the 16 samples, DTC P0300 will set. If the misfire is large enough to cause possible three-way catalytic converter damage, DTC P0300 may set during the first 200 revolution sample in which the misfire was detected. In the case of a catalyst damaging misfire, the MIL will flash to alert the vehicle operator of the potential of catalyst damage.

Conditions for Running the DTC

    •  No TP, MAP, ECT, CKP, CMP, MAF sensor, VSS, DTCs set.
    •  Engine speed between 525 and 5900 RPM.
    •  System voltage between 9.0 and 18.0 volts.
    •  The ECT indicates an engine temperature between -7°C (21°F) and 125°C (253°F).
    •  Throttle angle steady.

Conditions for Setting the DTC

The PCM is detecting a crankshaft RPM variation indicating a misfire sufficient to cause three-way catalytic converter damage or emissions levels to exceed mandated standard.

Action Taken When the DTC Sets

    • The PCM will illuminate the malfunction indicator lamp (MIL) during the second consecutive trip in which the diagnostic test has been run and failed.
    • The PCM will store conditions which were present when the DTC set as Freeze Frame/Failure Records data.

The MIL will also illuminate by flashing if the PCM detects sufficient misfire that could damage the catalytic converter.

Conditions for Clearing the MIL/DTC

    • The PCM will turn OFF the malfunction indicator lamp (MIL) during the third consecutive trip in which the diagnostic has run and passed.
    • The history DTC will clear after 40 consecutive warm-up cycles have occurred without a malfunction.
    • The DTC can be cleared by using a scan tool.

Diagnostic Aids

The scan tool provides information that can be useful in identifying the misfiring cylinder. If the DTC P0300 is currently stored as Test failed since code clear, the misfire history counters (Misfire Hist #1- #6) will still contain a value that represents the level of misfire for each cylinder.

A misfire DTC may set if components that affect the Crankshaft Position Sensor have recently been replaced, and the Crankshaft Position System Variation Learn has not been performed. If the diagnostic table does not identify a problem then perform the Crankshaft Position System Variation Learn . The Crankshaft Position Variation Learn Procedure should be performed if any of the following conditions are true:

The scan tool displayed misfire counter values (Misfire Hist. #1 through #6) can be useful in determining whether the misfire is isolated to a single cylinder or to a cylinder pair (cylinders that share an ignition coil-1/4, 2/5, 3/6.) If the largest amount of activity is isolated to a cylinder pair, inspect for the following conditions:

    •  The PCM has been replaced.
    •  DTC P1336 is set.
    •  The Engine has been replaced.
    •  The Crankshaft has been replaced.
    •  The Crankshaft Harmonic Balancer has been replaced.
    •  The Crankshaft Position Sensor has been replaced.
    •  Secondary Ignition Wires: Check wires for affected cylinder pair for disconnected ignition wires or for excessive resistance (the wires should measure should be 600ohms per foot (1 968ohms per meter).
    •  Damaged Or Faulty Ignition Coil: Check for cracks, carbon tracking or other damage. Also check coil secondary resistance. Secondary resistance should be between 5000ohms and 8000ohms (5Kohms and 8Kohms).
    •  Substitute a Known Good Coil: Swap ignition coils and retest. If the misfire follows the coil, replace the ignition coil.

If the misfire is random, check for the following conditions:

    •  System Grounds: Ensure all connections are clean and properly tightened.
    •  MAF: A Mass Air Flow (MAF) sensor output that causes the PCM to sense a lower than normal air flow will cause a lean condition.
    •  Air Induction System: Air leaks into the induction system which bypass the MAF sensor will cause a lean condition. Check for disconnected or damaged vacuum hoses, incorrectly installed or faulty crankcase ventilation valve, or for vacuum leaks at the throttle body, EGR valve, and intake manifold mounting surfaces.
    •  Fuel Pressure: Perform a fuel system pressure test. A faulty fuel pump, plugged filter, or faulty fuel system pressure regulator will contribute to a lean condition.
    •  Injectors: Perform injector coil/balance test to locate faulty injectors contributing to a lean or flooding condition. In addition to the above test, check the condition of the injector O-rings.
    •  EGR: Inspect for leaking valve, adapter, or feed pipes which will contribute to a lean condition or excessive EGR flow.
    • Water contamination in the fuel system can cause a single cylinder to misfire as well as cause a random misfire, refer to Alcohol/Contaminants-in-Fuel Diagnosis .

Many situations may lead to an intermittent condition. Perform each inspection or test as directed.

Important: :  Remove any debris from the connector surfaces before servicing a component. Inspect the connector gaskets when diagnosing or replacing a component. Ensure that the gaskets are installed correctly. The gaskets prevent contaminate intrusion.

    • Loose terminal connection
       -  Use a corresponding mating terminal to test for proper tension. Refer to Testing for Intermittent Conditions and Poor Connections , and to Connector Repairs in Wiring Systems for diagnosis and repair.
       -  Inspect the harness connectors for backed out terminals, improper mating, broken locks, improperly formed or damaged terminals, and faulty terminal to wire connection. Refer to Testing for Intermittent Conditions and Poor Connections , and to Connector Repairs in Wiring Systems for diagnosis and repair.
    • Damaged harness--Inspect the wiring harness for damage. If the harness inspection does not reveal a problem, observe the display on the scan tool while moving connectors and wiring harnesses related to the sensor. A change in the scan tool display may indicate the location of the fault. Refer to Wiring Repairs in Wiring Systems for diagnosis and repair.
    •  Inspect the powertrain control module (PCM) and the engine grounds for clean and secure connections. Refer to Wiring Repairs in Wiring Systems for diagnosis and repair.

If the condition is determined to be intermittent, reviewing the Snapshot or Freeze Frame/Failure Records may be useful in determining when the DTC or condition was identified.

Test Description

Numbers below refer to the step numbers on the Diagnostic Table:

  1. A malfunctioning injector circuit, crankshaft position system variation not learned condition, or incorrect rough road data from the EBCM may cause a misfire DTC to be set. If any of the indicated DTCs are set with DTC P0300, diagnose and repair the other DTC before using the DTC P0300 table.

  2. The Misfire Current Cyl # display may normally display a small amount of activity (0 - 10 counts) but should not steadily increment during an entire 200 revolution test sample period.

  3. Depending on the cause of the misfire, the Misfire History Cyl # counter will display a very large number for the misfiring cylinders; values for the non-misfiring cylinders will be less than 1/2 as great as the misfiring cylinders. When investigating a misfire, always start with items associated with the cylinders that has the largest number of counts stored in the Misfire History Cyl # counter.

  4. If the misfiring cylinders are companion cylinders, the condition is most likely linked to the ignition system.

  5. Check for poor terminal connection, grooves, corrosion, pitting, loose fit.

  6. Check for the following conditions that may contribute to the engine misfire: Engine oil pressure, Damaged accessory drive belt or pulley, Damaged driven accessory (generator, water pump, drive belt tensioner, etc.), Loose or broken motor mounts.

Step

Action

Values

Yes

No

1

Did you perform the Powertrain On Board Diagnostic (OBD) System Check?

--

Go to Step 2

Go to Powertrain On Board Diagnostic (OBD) System Check

2

Are any other DTCs set?

--

Go to applicable DTC

Go to Step 3

3

  1. Start and idle the engine.
  2. Review and record scan tool Freeze Frame data.
  3. Operate the vehicle to duplicate the conditions present when the DTC was set (as defined by the Freeze Frame data).
  4. Monitor the scan tool Misfire Current Cyl # display for each cylinder.

Is Misfire Current # display incrementing for any cylinder (indicating a misfire currently occurring)?

--

Go to Step 5

Go to Step 4

4

View the Misfire History Cyl # display on the scan tool.

Does Misfire History Cyl # display a very large value for more than one cylinder?

--

Go to Step 5

Go to Step 8

5

Are the misfire values displayed on the Misfire History Cyl # related to companion cylinders (i.e. 1/4, 2/5, 3/6)?

--

Go to Step 9

Go to Step 6

6

Perform a visual inspection found in Symptoms of the following areas:

  1. The vacuum hoses for improper connections and damage. Refer to Emission Hose Routing Diagram .
  2. Spark plug wire connections at the coils and at the spark plugs.
  3. Engine and PCM grounds. Ensure that the connections are in their proper locations, clean and tight.
  4. EGR to intake manifold piping for proper connections and signs of damage.

Did you find and correct the condition?

--

Go to Step 22

Go to Step 7

7

Test the fuel pressure.

Is the fuel pressure within the specified values?

358-405 kPa (52-59 psi)

Go to Step 8

Go to Fuel System Pressure Test

8

Test for proper fuel injector operation. Refer to Fuel Injector Solenoid Coil Test - Engine Coolant Temperature Between 10-35 Degrees C (50-95 Degrees F) or Fuel Injector Solenoid Coil Test - Engine Coolant Temperature Outside 10-35 Degrees C (50-95 Degrees F) .

Did you find and correct the condition?

--

Go to Step 22

Go to Step 9

9

Visually inspect the ignition wires and coils associated with the misfiring cylinders for the following conditions:

        Important: :  If carbon tracking is apparent at either end of the spark plug wires, replace the affected ignition wire and the associated ignition coil.

    •  Carbon tracking/arching and damage.
    •  Connected to the incorrect cylinders at the coil and spark plug.
    •  Poor terminal connections at the coil and spark plug.

Did you find and correct the condition?

--

Go to Step 22

Go to Step 10

10

  1. Install J 26792 Spark Tester at the spark plug end of the ignition wire associated with the misfiring cylinders.
  2. Jumper the spark plug end of the companion cylinder ignition wire to engine ground. The companion cylinder is the cylinder that shares the same ignition coil (i.e. 1/4, 2/5, 3/6).
  3. Crank the engine while observing the J 26792 Spark Tester.

Is there spark present?

--

Go to Step 15

Go to Step 11

11

  1. Measure the resistance of the ignition wires associated with the cylinders that were indicated as misfiring.
  2. Replace the ignition wires if the resistance measures greater than the specified value.

Did you find and correct the condition?

600ohms per foot (1 968ohms per meter)

Go to Step 22

Go to Step 12

12

  1. Measure the resistance of the secondary ignition coils associated with the misfiring cylinders.
  2. If the resistance is not between the specified values, replace the malfunctioning ignition coils. Refer to Ignition Coil Replacement

Did you find and correct the condition?

5K-8Kohms (5,000-8,000ohms)

Go to Step 22

Go to Step 13

13

  1. Remove the ignition coils associated with the misfiring cylinders.
  2. Inspect the coils for signs of carbon tracking, cracks or other damage.
  3. If a problem is found, replace the affected coils. Refer to Ignition Coil Replacement .

Did you find and correct the condition?

--

Go to Step 22

Go to Step 14

14

  1. Leave the ignition coils disconnected.
  2. Connect a test lamp across the ignition module primary circuit terminals.
  3. Remove the fuel injector fuse.
  4. Observe the test lamp while cranking the engine.
  5. Important: :  Be sure to reinstall the fuel injector fuse.

Does the test lamp blink?

--

Go to Step 20

Go to Step 21

15

  1. Remove the spark plugs from the cylinders associated with the misfire. Refer to Spark Plug Replacement in Engine Electrical.
  2. Visually inspect the spark plug electrodes for excessive fouling. Refer to Spark Plug Visual Diagnosis in Engine Electrical.

Did you find and correct the condition?

--

Go to Base Engine Misfire Diagnosis in Engine Mechanical

Go to Step 16

16

  1. Visually inspect the spark plugs for the following conditions:
  2. •  Carbon tracked, cracked or other damage to the insulator.
    •  Electrode damage or incorrect gap.

        Important: :  If carbon tracking is apparent on any of the spark plugs, replace the affected spark plugs and the associated ignition wires.

  3. If a problem is found, replace the affected spark plugs. Refer to Spark Plug Replacement in Engine Electrical.

Did you find and correct the condition?

--

Go to Step 22

Go to Step 17

17

Reinstall the spark plug. Refer to Spark Plug Replacement in Engine Electrical.

  1. Inspect the engine for mechanical problems.
  2. Base engine mechanical problems. Refer to Base Engine Misfire Diagnosis in Engine Mechanical.

Did you find and correct the condition?

--

Go to Step 22

Go to Step 18

18

If the condition occurs while driving, inspect for transaxle TCC problems. Refer to Torque Converter Diagnosis in Automatic Transaxle.

Did you find and correct the condition?

--

Go to Step 22

Go to Step 19

19

Test for contaminants in the fuel. Refer to Alcohol/Contaminants-in-Fuel Diagnosis .

Did you find and correct the condition?

--

Go to Step 22

Go to Diagnostic Aids

20

Replace the ignition coils associated with the misfiring cylinders. Refer to Ignition Coil Replacement .

Did you complete the repair?

--

Go to Step 22

--

21

Replace the ignition control module. Refer to Ignition Control Module Replacement .

Did you complete the repair?

--

Go to Step 22

--

22

  1. Review and record Freeze Frame data.
  2. Clear DTCs.
  3. Start and idle the engine.
  4. Operate the vehicle to duplicate the conditions present when the DTC was set (as defined by the Freeze Frame data).
  5. Monitor the scan tool Misfire Current Cyl # display for each cylinder.

Is Misfire Current Cyl # display incrementing for any cylinder (indicating a misfire currently occurring)?

--

Go to Step 2

System OK