GM Service Manual Online
For 1990-2009 cars only

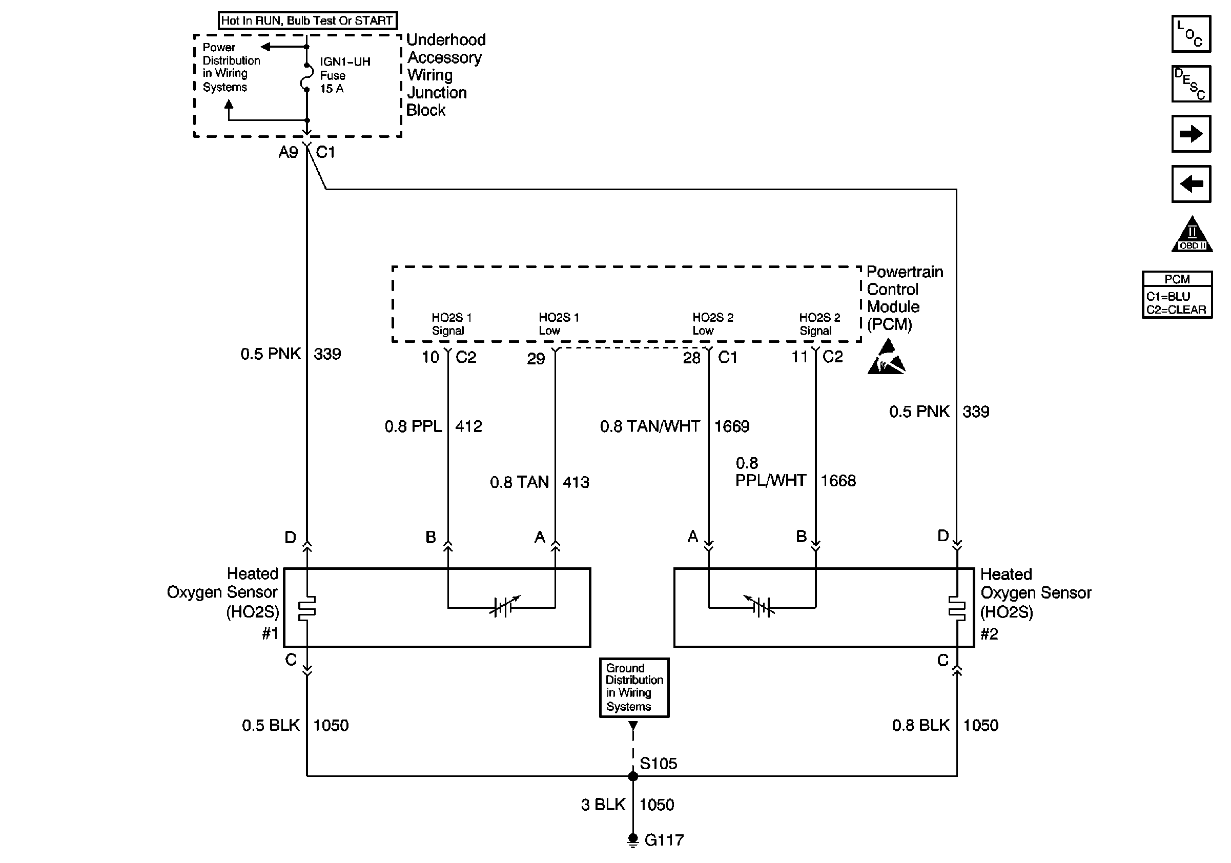
Refer to Engine Controls Schematic

HO2S #1 and HO2S #2


Object Number: 588220  Size: FS
Underhood Accessory Wiring Junction Block, Secondary Air Injection PUmp Relay, Secondary Air Injection Valve Solenoid, Supercharger Bypass Valve, Heated Oxygen Sensors, MAF and EVAP
G117
Handling ESD Sensitive Parts Notice
Engine Controls Components
Powertrain Control Module Description
AIR Motor, AIR Valve, AIR Relay and Theft Deterrent Module
A/C Refrigerant Pressure Sensor, TP, MAP, ECT and IAT Sensor
OBD II Symbol Description Notice
.

Circuit Description

To control emissions of Hydrocarbons (HC), Carbon Monoxide (CO), and Oxides of Nitrogen (NOx), a three way catalytic converter is used. The catalyst within the converter promotes a chemical reaction which oxidizes the HC and CO present in the exhaust gas, converting them into harmless water vapor and carbon dioxide. The catalyst also reduces NOx, converting it to nitrogen. The PCM has the ability to monitor this process using the HO2S 1 and the HO2S 2 heated oxygen sensors. The HO2S 1 sensor produces an output signal which indicates the amount of oxygen present in the exhaust gas entering the three way catalytic converter. The HO2S 2 sensor produces an output signal which indicates the oxygen storage capacity of the catalyst this in turn indicates the catalysts ability to convert exhaust gases efficiently. If the catalyst is operating efficiently, the HO2S 1 signal will be far more active than that produced by the HO2S 2 sensor. If the HO2S 2 signal voltage remains at or near the 450 mV bias for an extended period of time, DTC P0140 will be set.

Conditions for Running the DTC

    • System voltage between 9.0 and 18.0 volts.
    • No active TP, MAP, MAF, IAT, ECT, fuel injector circuit, EVAP, AIR DTCs present.
    • Engine coolant temperature greater than 65°C (149°F).
    • Engine run time longer than 200 seconds.
    • AIR pump commanded OFF.

Conditions for Setting the DTC

HO2S 2 signal voltage remains between 412 mV and 499 mV for more than 100 seconds.

Action Taken When the DTC Sets

    • The PCM will illuminate the malfunction indicator lamp (MIL) during the second consecutive trip in which the diagnostic test has been run and failed.
    • The PCM will store conditions which were present when the DTC set as Freeze Frame/Failure Records data.

Conditions for Clearing the MIL/DTC

    • The PCM will turn OFF the malfunction indicator lamp (MIL) during the third consecutive trip in which the diagnostic has run and passed.
    • The history DTC will clear after 40 consecutive warm-up cycles have occurred without a malfunction.
    • The DTC can be cleared by using a scan tool.

Diagnostic Aids

Inspect for the following conditions:

    • Corroded exhaust flange bolts. Using a digital multimeter, ensure that continuity exists between the engine block and the heated oxygen sensor shell. If resistance is excessively high, replace corroded exhaust flange attaching hardware as necessary.
    • Malfunctioning HO2S heater or heater circuit. With the ignition ON, engine not running the HO2S voltage displayed on a scan tool should gradually drop to below 250 mV or rise to above 600 mV. If not, disconnect the HO2S and connect a test lamp between the HO2S ignition feed and heater ground circuits. If the test lamp does not illuminate, repair the open ignition feed or sensor ground circuit as necessary. If the test lamp illuminates and the HO2S signal and low circuits are OK, replace the affected HO2S. Refer to Heated Oxygen Sensor Replacement .

Many situations may lead to an intermittent condition. Perform each inspection or test as directed.

Important: :  Remove any debris from the connector surfaces before servicing a component. Inspect the connector gaskets when diagnosing or replacing a component. Ensure that the gaskets are installed correctly. The gaskets prevent contaminate intrusion.

    • Loose terminal connection
       -  Use a corresponding mating terminal to test for proper tension. Refer to Testing for Intermittent Conditions and Poor Connections , and to Connector Repairs in Wiring Systems for diagnosis and repair.
       -  Inspect the harness connectors for backed out terminals, improper mating, broken locks, improperly formed or damaged terminals, and faulty terminal to wire connection. Refer to Testing for Intermittent Conditions and Poor Connections , and to Connector Repairs in Wiring Systems for diagnosis and repair.
    • Damaged harness--Inspect the wiring harness for damage. If the harness inspection does not reveal a problem, observe the display on the scan tool while moving connectors and wiring harnesses related to the sensor. A change in the scan tool display may indicate the location of the fault. Refer to Wiring Repairs in Wiring Systems for diagnosis and repair.
    •  Inspect the powertrain control module (PCM) and the engine grounds for clean and secure connections. Refer to Wiring Repairs in Wiring Systems for diagnosis and repair.

If the condition is determined to be intermittent, reviewing the Snapshot or Freeze Frame/Failure Records may be useful in determining when the DTC or condition was identified.

Test Description

The numbers below refer to the step numbers on the diagnostic table:

  1. If the DTC P0140 test passes while the Failure Records conditions are being duplicated, an intermittent condition is indicated.

    Reviewing the Failure Records vehicle mileage since the diagnostic test last failed may help determine how often the condition that caused the DTC to be set occurs. This may assist in diagnosing the condition.

  2. This vehicle is equipped with a PCM which utilizes an Electrically Erasable Programmable Read Only Memory (EEPROM). When the PCM is being replaced, the new PCM must be programmed.

DTC P0140 - HO2S Circuit Insufficient Activity Sensor 2

Step

Action

Values

Yes

No

1

Did you perform the Powertrain On-Board Diagnostic (OBD) System Check?

--

Go to Step 2

Go to Powertrain On Board Diagnostic (OBD) System Check

2

  1. Bring the engine to operating temperature.
  2. Operate the engine above 1200 RPM for two minutes while monitoring HO2S 2 voltage on the scan tool HO2S data list.

Does the scan tool indicate HO2S 2 voltage varying outside the specified values?

412-499 mV

Go to Step 3

Go to Step 4

3

  1. Turn ON the ignition, with the engine OFF.
  2. Review and record scan tool Failure Records data and note parameters.
  3. Operate vehicle within Failure Records conditions as noted.
  4. Using a scan tool, monitor Specific DTC info for DTC P0140 until the DTC P0140 test runs.

Does scan tool indicate DTC failed this ignition?

--

Go to Step 4

Go to Diagnostic Aids

4

  1. Disconnect HO2S 2 and jumper the HO2S signal and low circuits (PCM side) to ground.
  2. Using a scan tool, monitor HO2S 2 voltage.

Does the HO2S 2 voltage measure less than the specified value?

150 mV

Go to Step 8

Go to Step 5

5

  1. Remove the jumper wire.
  2. Using a DMM, measure voltage between the HO2S 2 signal circuit (PCM side) and the HO2S 2 heater ground circuit.

Does HO2S 2 signal voltage measure above the specified value?

950 mV

Go to Step 6

Go to Step 7

6

  1. Turn OFF the ignition.
  2. Disconnect the PCM.
  3. Inspect continuity of the HO2S 2 low circuit. Refer to Testing for Continuity in Wiring Systems.
  4. If the HO2S 2 low circuit measures over 5ohms, repair open or faulty connection as necessary. Refer to Testing for Intermittent Conditions and Poor Connections , and Wiring Repairs in Wiring Systems.

Did you find and correct the condition?

--

Go to Step 13

Go to Step 9

7

  1. Disconnect the PCM.
  2. Inspect continuity of the HO2S 2 signal circuit. Refer to Testing for Continuity in Wiring Systems.
  3. If the HO2S 2 signal circuit measures over 5 ohms, repair open or faulty connection as necessary. Refer to Testing for Intermittent Conditions and Poor Connections , and Wiring Repairs in Wiring Systems.

Did you find and correct the condition?

--

Go to Step 13

Go to Step 10

8

  1. Inspect for a faulty HO2S 2 signal or low circuit terminal connection at the HO2S 2 harness connector.
  2. If a problem is found, replace terminals as necessary. Refer to Testing for Intermittent Conditions and Poor Connections , and Connector Repairs in Wiring Systems.

Did you find and correct the condition?

--

Go to Step 13

Go to Step 11

9

  1. Inspect for faulty HO2S 2 low circuit terminal connection at the PCM.
  2. If a problem is found, replace terminal as necessary. Refer to Testing for Intermittent Conditions and Poor Connections in Wiring Systems.

Did you find and correct the condition?

--

Go to Step 13

Go to Step 12

10

  1. Inspect for faulty HO2S 2 signal circuit terminal connection at the PCM.
  2. If a problem is found, replace terminal as necessary. Refer to Testing for Intermittent Conditions and Poor Connections in Wiring Systems.

Did you find and correct the condition?

--

Go to Step 13

Go to Step 12

11

Replace HO2S 2. Refer to Heated Oxygen Sensor Replacement .

Did you complete the replacement?

--

Go to Step 13

--

12

Important: :  The replacement PCM must be programmed.

Replace the PCM. Refer to Powertrain Control Module Replacement/Programming .

Did you complete the condition?

--

Go to Step 13

--

13

  1. Use the scan tool in order to record the Failure Records.
  2. Clear the DTCs.
  3. Operate vehicle within Failure Records conditions as noted.

Does DTC reset?

--

Go to Step 2

System OK